Novatoriška hidraulinė sistema, skirta „Zetor 5211 7211“. Dviejų sekcijų hidraulinis skirstytuvas, pilnas siurblio dangtis su iš
    • Novatoriška hidraulinė sistema, skirta „Zetor 5211 7211“. Dviejų sekcijų hidraulinis skirstytuvas, pilnas siurblio dangtis su iš
    • Novatoriška hidraulinė sistema, skirta „Zetor 5211 7211“. Dviejų sekcijų hidraulinis skirstytuvas, pilnas siurblio dangtis su iš
    • Novatoriška hidraulinė sistema, skirta „Zetor 5211 7211“. Dviejų sekcijų hidraulinis skirstytuvas, pilnas siurblio dangtis su iš
    • Novatoriška hidraulinė sistema, skirta „Zetor 5211 7211“. Dviejų sekcijų hidraulinis skirstytuvas, pilnas siurblio dangtis su iš
    • Novatoriška hidraulinė sistema, skirta „Zetor 5211 7211“. Dviejų sekcijų hidraulinis skirstytuvas, pilnas siurblio dangtis su iš
    • Novatoriška hidraulinė sistema, skirta „Zetor 5211 7211“. Dviejų sekcijų hidraulinis skirstytuvas, pilnas siurblio dangtis su iš

    Novatoriška hidraulinė sistema, skirta „Zetor 5211 7211“. Dviejų sekcijų hidraulinis skirstytuvas, pilnas siurblio dangtis su iš

    2.00.16.722.10.151
    Hydrolider
    317,73 €
    Su mokesčiais
    pristatymas per 5-9 darbo dienas
    Kiekis

    Aprašymas
    SIURBLIO DANGTELIS SU IŠORINIO SKIRSTYTUVO IŠLEIDIMO ANGA

    PRIDEDAMAS SU 2 SEK. SKIRSTYTUVU IR ŽARNOMIS PRIJUNGIMUI PRIE DANGTELIO

    Simbolis:
    2.00.16.722.1

    Detalės gamintojas:
    Hydroleader

    Taikymas:

    Dangtelis skirtas „Zetor“ traktoriams: 5011, 5211, 7011, 7211, 7045, 7245, 7745 ir kitiems dariniams: 2011, 2511, 3011, 3320, 3340, 3511, 3513, 3545, 4011, 4320, 4340, 4511, 4611, 4712, 4718, 4911, 5213, 5243, 5245, 5320, 5340, 5340H, 5511, 5545, 5611, 5645, 5647, 5711, 5718, 5745, 5748, 5911, 5945, 6011, 6045, 6211, 6245, 6320, 6340, 6711, 6718, 6745, 6748, 6911, 6945, 7245H, 7320, 7340, 7711. Leidžia prijungti papildomą išorinį skirstytuvą, tuo pačiu užtikrinant keltuvo, originalaus skirstytuvo ir galinių hidraulinių prievadų veikimą. Dangtelis tinka originaliam hidrauliniam siurbliui, siurblio pavaros laikikliui, apsauginiam vožtuvui ir filtrui.

    Aukščiausios kokybės komponentai:

    Dauguma rinkinyje esančių komponentų, tokių kaip siurblys, dangtis ir laikiklis,
    yra pagaminti Lenkijos gamintojų. Platintojas yra Bulgarijos žinomo ir tarptautiniu mastu gerbiamo gamintojo „Badestnost“ produkcija. Viskas buvo kruopščiai atrinkta siekiant kokybės ir patikimumo.
    Visi siurblio ar laikiklio tvirtinimo varžtai ir sandarikliai yra originalūs ir buvo surinkti pagal katalogą ir originalius sprendimus. Originalūs petnešėlių varžtai užtikrina stabilų siurblio ir pavaros laikiklio tvirtinimą, žymiai pailgindami jų tarnavimo laiką.

    Aukščiausios kokybės ketaus dangtis:

    Vienintelis tokio tipo dangtis, specialiai sukurtas šiam rinkiniui. Tvirtinimo angos idealiai atitinka ašies angas. Gamybos kokybė ir pakartojamumas garantuoja sklandų dangčio prisukimą prie traktoriaus ir likusių rinkinio komponentų prisukimą.

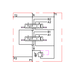
    2 sekcijų hidraulinis skirstytuvas:

    Prekės ženklas: originalus „Badestnost“ produktas
    Gamintojo pavadinimas: 02P40 A1A1 GKZ1
    Slankiklio tipas pagal gamintojo katalogą: A
    Valdymas: rankinis naudojant svirtį
    Slėgis: P: ≤ 250 bar ; T: ≤ 50 bar ; A ir B: ≤ 300 bar
    Slankiklio veikimas: 1-0-2 su stabilizuojančia spyruokle 0 padėtyje
    Jungtys: P ir T: BSP 1/2" ; A ir B: BSP 3/8"

    Skirstytuvo naudojimas:

    Tai leidžia valdyti bet kokias prie traktoriaus prijungtas mašinas ar įrenginius. Įrengtas kabelių ir jungčių rinkinys, reikalingas prijungti prie dangčio. Skirta valdyti du hidraulinės sistemos imtuvus, pvz., du vienpusio arba dvigubo veikimo cilindrus, taip pat du variklius viena arba abiem kryptimis.

    Išlaiko originalios hidraulinės sistemos veikimo režimą:

    Komplektas užtikrina esamą traktoriaus originalios hidraulikos veikimą. Traktoriaus prikabinimo mechanizmo ir galinių išėjimų valdymas išlieka nepakitęs.

    Hidraulikos išplėtimo galimybė:

    Komplektas leidžia išplėsti traktoriaus hidraulinę sistemą 1, 2, 3 ar net 4 sekcijų skirstytuvu, kurį galima montuoti šone ant sparno arba priekyje prie priekinio stiklo. Papildomo skirstytuvo įrengimas neturės įtakos traktoriaus gamyklinės hidraulikos veikimui.

    Pilną AGRICOLA komplektą sudaro:

    Naujos kartos siurblio dangtelis su išorinio skirstytuvo išleidimo anga
    Siurblio dangtelio tarpinė
    2 sekcijų hidraulinis skirstytuvas 40 l/min su spyruokliniu pozicionavimu.
    Trijų žarnų rinkinys skirstytuvui prijungti prie dangtelio
    Jungtys ir jungtys, reikalingos žarnoms prijungti prie dangtelio ir skirstytuvo

    Prekė detaliau
    Hydrolider
    2.00.16.722.10.151

    Charakteristikos

    Gamintojas
    Hydrolider
    Gamintojo detalės kodas
    2.00.16.722.1

    Specifinė nuoroda

    MPN
    2.00.16.722.1