• Tik internetu
Sankabos guminis elementas lf28 60sh
  • Sankabos guminis elementas lf28 60sh
  • Sankabos guminis elementas lf28 60sh
  • Sankabos guminis elementas lf28 60sh

Sankabos guminis elementas lf28 60sh

15013825115234
kita (RaJa-Lovejoy)
453,75 €
Su mokesčiais
pristatymas per 5-9 darbo dienas
Kiekis

Aprašymas
Sankabos guminis elementas LF28 60SH

Dalies numeris: LF280005

EAN:

Vienetas: Art

Specifikacijos:

Geresnis našumas nei žvaigždžių movos

minimali montavimo vieta

Naudojimas: Varojimas su vidaus degimo varikliais Savybės: nėra atsparumo pradūrimui Techninė informacija:

Galima įsigyti Hytrel arba Zytel elastomero aukštesnėms darbinėms temperatūroms

visą movą sudaro šios dalys: 1 stebulė, 1 flanšinė stebulė ir 1 elastinis elementas

+Austauschbar mit Kupplungen Centaflex X

Privalumai:

Geresnis vibracijos slopinimas

kompaktiškesnis dizainas

Lanksčiojo elemento medžiaga: Guma

Darbinė temperatūra min.: -40°C

Darbinė temperatūra maks.: 90°C

Jį sudaro:

1 lankstus elementas

varžtų rinkinys

surinkimo instrukcija

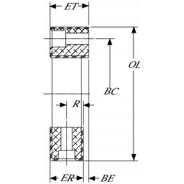
ERvidinis skersmuo: 40mm

OLO išorinis skersmuo: 170 mm

ETSBendras plotis: 46mm

BErankos plotis: 6mm

Nominalus darbinis sukimo momentas: 420N m

Maksimalus darbinis sukimo momentas: 1200N m

BC Montavimo angų skersmuo: 140 mm Montavimo angų skaičius: 4

Tipas - kodas: LF 28

Prekė detaliau
kita (RaJa-Lovejoy)
15013825115234
Nauja

Charakteristikos

Gamintojas
kita (RaJa-Lovejoy)
Detalės numeris
K. LF280005
Mašinos prekės ženklas
Bizon, Case IH, Claas, DBautomotive, Deutz-Fahr, Fendt, Ford, Frank, kita, JCB, John Deere, Kverneland, Lamborghini, Landini, Massey Ferguson, MTZ Belarus, New Holland, Renault, Same, Smarland, Unia, Unirol, Ursus, Zetor

Specifinė nuoroda

MPN
K. LF280005