• Tik internetu
Vrap 80 100 rotacinio plūgo hidraulinis vožtuvas
  • Vrap 80 100 rotacinio plūgo hidraulinis vožtuvas
  • Vrap 80 100 rotacinio plūgo hidraulinis vožtuvas
  • Vrap 80 100 rotacinio plūgo hidraulinis vožtuvas

Vrap 80 100 rotacinio plūgo hidraulinis vožtuvas

15013674369478
SM-D
427,94 €
Su mokesčiais
pristatymas per 5-9 darbo dienas
Kiekis

Aprašymas
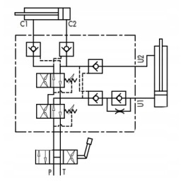
​HIDRAULINIS VOŽTUVAS VRAP apverčiamam plūgui SU VIENU CILINDU SKRAW-MET kodas: [0305] TIPAS: VRAP 80/100 3/8' Naudojimas: Hidraulinis vožtuvas puikiai tinka hidrauliškai sukamiems apverčiamiems plūgams. Gali būti naudojamas žemės ūkyje, sodininkystėje ir miškininkystė .

Hidraulinis vožtuvas skirtas rotoriniams plūgams su dviem cilindrais, kurių cilindrų matmenys 80-100 mm (išorinis skersmuo 90-120 mm), 2, 3 ir 4 vagų rotoriniuose plūguose.

Ventuvas leidžia valdyti plūgo sukimasis ir jo išlygiavimas.

Veikimo principas: vožtuvas skirtas automatiškai perjungti alyvos tekėjimo kryptį ir tuo pačiu plūgo judėjimo kryptį. Jame yra atbulinis vožtuvas, kurio dėka plūgas išlieka nustatytoje padėtyje.

Jungtis:​ Cilindras A:

C1 – jungtis pavaros stūmoklio koto pusėje

C2 – jungtis pavaros stūmoklio pusėje

Cilindras B:

U1 – jungtis su pavaros stūmoklio koteliu

U2 – prijungimas prie pavaros stūmoklio

P – maitinimo tiekimas iš traktoriaus arba skirstytuvo

T – grįžimas į traktorių arba skirstytuvą

Techniniai duomenys:

Hidraulinių angų skaičius: 6

Vidinės sriegiai korpuse [BSP]: 3/8 colių C iki +60 C

Prekė detaliau
SM-D
15013674369478
Nauja

Charakteristikos

Gamintojas
SM-D
Detalės numeris
0305.A
Mašinos prekės ženklas
Bizon, Case IH, Claas, DBautomotive, Deutz-Fahr, Fendt, Ford, Frank, JCB, John Deere, Kverneland, Lamborghini, Landini, Massey Ferguson, MTZ Belarus, New Holland, Renault, Same, Smarland, Unia, Unirol, Ursus, Zetor, kita

Specifinė nuoroda

MPN
0305.A