• Tik internetu
Hatz 1b20 1b30 įpurškimo slėgio ploviklis 05089300
  • Hatz 1b20 1b30 įpurškimo slėgio ploviklis 05089300
  • Hatz 1b20 1b30 įpurškimo slėgio ploviklis 05089300

Hatz 1b20 1b30 įpurškimo slėgio ploviklis 05089300

15014280165296
12,59 €
Su mokesčiais
pristatymas per 5-9 darbo dienas
Kiekis

Aprašymas
HATZ 1B20 1B30 įpurškimo slėginis ploviklis 05089300

Prekės aprašymas:

Gamintojas - Vokietijos įmonė HATZ

Katalogo numeris: 05089300

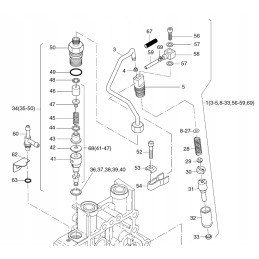
Prekė Nr.53 iš katalogo kortelės (antra nuotrauka)

Taikymas: HATZ 1B20 1B30

varikliai Originali dalis,visiškai nauja.

Prekė detaliau
15014280165296
Nauja

Charakteristikos

Detalės numeris
05089300
Originalus Detalės numeris
05089300

Specifinė nuoroda

MPN
05089300