• Tik internetu
Hatz 1d81 1d90 oro išleidimo žarnos 04074700
  • Hatz 1d81 1d90 oro išleidimo žarnos 04074700
  • Hatz 1d81 1d90 oro išleidimo žarnos 04074700

Hatz 1d81 1d90 oro išleidimo žarnos 04074700

15014269850816
33,19 €
Su mokesčiais
pristatymas per 5-9 darbo dienas
Kiekis

Aprašymas
HATZ 1D81 1D90 ventiliacijos žarna 04074700

Prekės aprašymas:

Gamintojas - Vokietijos įmonė HATZ.

Katalogo numeris: 04074700

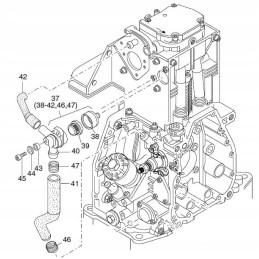
Prekė Nr.41 iš katalogo kortelės (antra nuotrauka)

Taikymas: HATZ 1D60 1D80 1D81 1D90 varikliai

Originali žarna, visiškai nauja.

Prekė detaliau
15014269850816
Nauja

Charakteristikos

Detalės numeris
04074700
Originalus Detalės numeris
04074700

Specifinė nuoroda

MPN
04074700