• Tik internetu
Hatz e673 e573 vožtuvo dangtelio tarpiklis 03208902
  • Hatz e673 e573 vožtuvo dangtelio tarpiklis 03208902
  • Hatz e673 e573 vožtuvo dangtelio tarpiklis 03208902

Hatz e673 e573 vožtuvo dangtelio tarpiklis 03208902

15014280166510
17,78 €
Su mokesčiais
pristatymas per 5-9 darbo dienas
Kiekis

Aprašymas
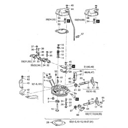
HATZ E673 E573 vožtuvo dangtelio tarpinė 03208902 Prekės aprašymas:

Gamintojas - Vokietijos įmonė HATZ.

Katalogo numeris: 03208902

Prekė Nr.53 iš katalogo kortelės (antra nuotrauka)

Taikymas: HATZ E573 E673

varikliai Originali tarpinė, visiškai nauja.

Prekė detaliau
15014280166510
Nauja

Charakteristikos

Detalės numeris
03208902
Originalus Detalės numeris
03208902

Specifinė nuoroda

MPN
03208902