• Tik internetu
Yanmar l40 l48 reguliatoriaus plokštelė 714268 66500
  • Yanmar l40 l48 reguliatoriaus plokštelė 714268 66500
  • Yanmar l40 l48 reguliatoriaus plokštelė 714268 66500
  • Yanmar l40 l48 reguliatoriaus plokštelė 714268 66500

Yanmar l40 l48 reguliatoriaus plokštelė 714268 66500

15014280165558
49,29 €
Su mokesčiais
pristatymas per 5-9 darbo dienas
Kiekis

Aprašymas
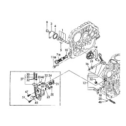
YANMAR L40 L48 reguliatoriaus plokštė 714268-66500 Prekės aprašymas:

Gamintojas - YANMAR.

Katalogo numeris: 714268-66500

Prekė Nr.27 iš katalogo kortelės (antra nuotrauka)

Taikymas: YANMAR L40 L48 L60 L70 L90 L100 dyzeliniai varikliai

Originali dalis,visiškai nauja.

Prekė detaliau
15014280165558
Nauja

Charakteristikos

Detalės numeris
714268-66500

Specifinė nuoroda

MPN
714268-66500