• Tik internetu
Wacker karbiuratoriaus dangtelis 33 0037753
  • Wacker karbiuratoriaus dangtelis 33 0037753
  • Wacker karbiuratoriaus dangtelis 33 0037753

Wacker karbiuratoriaus dangtelis 33 0037753

15014336376697
45,27 €
Su mokesčiais
pristatymas per 5-9 darbo dienas
Kiekis

Aprašymas
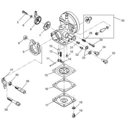
WACKER karbiuratoriaus dangtelis BING 33 0037753 Prekės aprašymas:

Gamintojas: Vokietijos kompanija WACKER

Katalogo numeris: 0037753

Prekė Nr.17 iš katalogo kortelės (antra nuotrauka)

Taikymas: WACKER plaktuvai BS45Y BS52Y BS60Y BS62Y BS65Y

Originali dalis,visiškai nauja.

Prekė detaliau
15014336376697
Nauja

Charakteristikos

Detalės numeris
0037753
Originalus Detalės numeris
0037753

Specifinė nuoroda

MPN
0037753