• Tik internetu
Hatz serijos eo alyvos užpildymo dangtelio žiedas 50153800
  • Hatz serijos eo alyvos užpildymo dangtelio žiedas 50153800
  • Hatz serijos eo alyvos užpildymo dangtelio žiedas 50153800

Hatz serijos eo alyvos užpildymo dangtelio žiedas 50153800

15014280165807
12,59 €
Su mokesčiais
pristatymas per 5-9 darbo dienas
Kiekis

Aprašymas
HATZ E serijos alyvos pildymo angos dangtelio sandarinimo žiedas 50153800

Prekės aprašymas:

Gamintojas - Vokietijos įmonė HATZ.

Katalogo numeris: 50153800

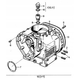
Prekė Nr.8 iš katalogo kortelės (antra nuotrauka)

Taikymas: HATZ E71 E75 E79 E780 E786​

varikliai O žiedas originalus, visiškai naujas.

Prekė detaliau
15014280165807
Nauja

Charakteristikos

Detalės numeris
50153800
Originalus Detalės numeris
50153800

Specifinė nuoroda

MPN
50153800