• Tik internetu
Wacker BS rammers droselio svirties 0111202 laidas
  • Wacker BS rammers droselio svirties 0111202 laidas
  • Wacker BS rammers droselio svirties 0111202 laidas

Wacker BS rammers droselio svirties 0111202 laidas

15014304525369
32,58 €
Su mokesčiais
pristatymas per 5-9 darbo dienas
Kiekis

Aprašymas
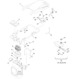
WACKER BS plaktuvai droselio svirtis 0111202 (viela) Prekės aprašymas:

Gamintojas – Vokietijos įmonė WACKER.

Katalogo numeris: 0111202

Prekė Nr.30 iš katalogo kortelės (antra nuotrauka)

Perjungiklis BS500 BS600 BS700 DS720 plaktuvams - droselio troso laidas

Originalus pavarų perjungiklis, visiškai naujas.

Prekė detaliau
15014304525369
Nauja

Charakteristikos

Detalės numeris
0111202

Specifinė nuoroda

MPN
0111202