• Tik internetu
Hatz l įpurškimo siurblio tarpinė 0 1 03168400
  • Hatz l įpurškimo siurblio tarpinė 0 1 03168400
  • Hatz l įpurškimo siurblio tarpinė 0 1 03168400

Hatz l įpurškimo siurblio tarpinė 0 1 03168400

15014280165864
12,59 €
Su mokesčiais
pristatymas per 5-9 darbo dienas
Kiekis

Aprašymas
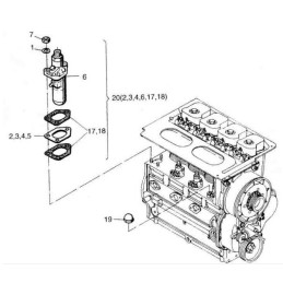
HATZ E serijos įpurškimo siurblio tarpiklis 0,1 03168400 Prekės aprašymas:

Gamintojas - Vokietijos įmonė HATZ

Katalogo numeris: 03168400

Prekės Nr. 17, 18 iš katalogo kortelės (antra nuotrauka)

Taikymas: HATZ L serijos varikliai

Tarpiklio storis: 0,1 mm

Tarpinė originali, visiškai nauja.

Prekė detaliau
15014280165864
Nauja

Charakteristikos

Detalės numeris
03168400

Specifinė nuoroda

MPN
03168400