• Tik internetu
Hatz Lim kuro linijos poveržlė 03969400
  • Hatz Lim kuro linijos poveržlė 03969400
  • Hatz Lim kuro linijos poveržlė 03969400

Hatz Lim kuro linijos poveržlė 03969400

15014280166849
27,01 €
Su mokesčiais
pristatymas per 5-9 darbo dienas
Kiekis

Aprašymas
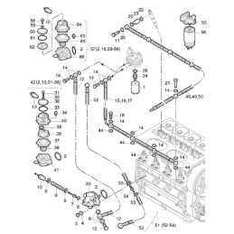
HATZ L ir M serijos kuro linijos poveržlė 03969400 Prekės aprašymas:

Gamintojas - Vokietijos įmonė HATZ

Katalogo numeris: 03969400

Trinkelės storis 3,5 mm

Prekė Nr.44 iš katalogo kortelės (antra nuotrauka)

Naudojimas: HATZ L ir M serijos varikliai Originali dalis,visiškai nauja.

Prekė detaliau
15014280166849
Nauja

Charakteristikos

Detalės numeris
03969400

Specifinė nuoroda

MPN
03969400