• Tik internetu
Hatz LM serijos degalų tiekimo linijos poveržlė 50001100
  • Hatz LM serijos degalų tiekimo linijos poveržlė 50001100
  • Hatz LM serijos degalų tiekimo linijos poveržlė 50001100

Hatz LM serijos degalų tiekimo linijos poveržlė 50001100

15014280166747
12,59 €
Su mokesčiais
pristatymas per 5-9 darbo dienas
Kiekis

Aprašymas
HATZ L ir M serijos kuro linijos poveržlė 50001100

Prekės aprašymas:

Gamintojas - Vokietijos įmonė HATZ

Katalogo numeris: 50001100

Trinkelės storis 1,3 mm

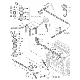
Prekė Nr.14 iš katalogo kortelės (antra nuotrauka)

Naudojimas: HATZ L ir M serijos varikliai Originali dalis,visiškai nauja.

Prekė detaliau
15014280166747
Nauja

Charakteristikos

Detalės numeris
50001100
Originalus Detalės numeris
50001100

Specifinė nuoroda

MPN
50001100