• Tik internetu
Hatz 2g30 2g40 alyvos slėgio jutiklis 50293810
  • Hatz 2g30 2g40 alyvos slėgio jutiklis 50293810
  • Hatz 2g30 2g40 alyvos slėgio jutiklis 50293810

Hatz 2g30 2g40 alyvos slėgio jutiklis 50293810

15014280166498
37,72 €
Su mokesčiais
pristatymas per 5-9 darbo dienas
Kiekis

Aprašymas
HATZ 2G30 2G40 alyvos slėgio jutiklis 50293810

Prekės aprašymas:

Gamintojas - Vokietijos įmonė HATZ

Katalogo numeris: 50293810

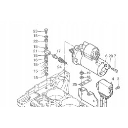
Prekė Nr.17 iš katalogo kortelės (antra nuotrauka)

Diapazonas 0,3–0,6 baro

Taikymas: HATZ 2G30 2G40 varikliai

Originali dalis,visiškai nauja.

Prekė detaliau
15014280166498
Nauja

Charakteristikos

Detalės numeris
50293810
Originalus Detalės numeris
50293810

Specifinė nuoroda

MPN
50293810