• Tik internetu
Hatz 1d50 kaiščio sandariklis 04150300
  • Hatz 1d50 kaiščio sandariklis 04150300
  • Hatz 1d50 kaiščio sandariklis 04150300

Hatz 1d50 kaiščio sandariklis 04150300

15014280165860
20,58 €
Su mokesčiais
pristatymas per 5-9 darbo dienas
Kiekis

Aprašymas
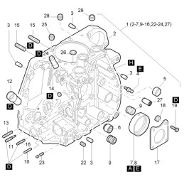
HATZ 1D50 kaiščio sandariklis 04150300 Prekės aprašymas:

Gamintojas - Vokietijos įmonė HATZ.

Katalogo numeris: 04150300

Prekė Nr.26 iš katalogo kortelės (antra nuotrauka)

Taikymas: HATZ 1D50

varikliai Sandariklis laiko dangtelio šone

Originalus sandariklis,visiškai naujas.

Prekė detaliau
15014280165860
Nauja

Charakteristikos

Detalės numeris
04150300
Originalus Detalės numeris
04150300

Specifinė nuoroda

MPN
04150300