• Tik internetu
Hatz L serijos siurblio bėgio spyruoklė 03468100
  • Hatz L serijos siurblio bėgio spyruoklė 03468100
  • Hatz L serijos siurblio bėgio spyruoklė 03468100
  • Hatz L serijos siurblio bėgio spyruoklė 03468100

Hatz L serijos siurblio bėgio spyruoklė 03468100

15014280165893
22,09 €
Su mokesčiais
pristatymas per 5-9 darbo dienas
Kiekis

Aprašymas
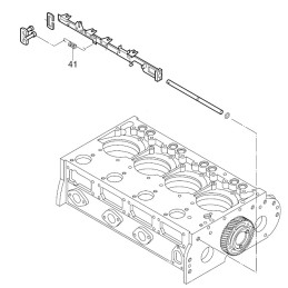
HATZ L serijos siurblio bėgių spyruoklė 03468100 Prekės aprašymas:

Gamintojas - Vokietijos įmonė HATZ.

Katalogo numeris: 03468100

Prekė Nr.41 iš katalogo kortelės (antra nuotrauka)

Taikymas: HATZ varikliai 2L30 3L30 4L30 2L31 3L31 4L31 2L40 3L40 4L40 2L41 3L41 4L41

Originali spyruoklė, visiškai nauja.

Prekė detaliau
15014280165893
Nauja

Charakteristikos

Detalės numeris
03468100
Originalus Detalės numeris
03468100

Specifinė nuoroda

MPN
03468100