• Tik internetu
Hatz 1d41 1d50 1d81 ribotuvas stūmoklis 01519500
  • Hatz 1d41 1d50 1d81 ribotuvas stūmoklis 01519500
  • Hatz 1d41 1d50 1d81 ribotuvas stūmoklis 01519500
  • Hatz 1d41 1d50 1d81 ribotuvas stūmoklis 01519500

Hatz 1d41 1d50 1d81 ribotuvas stūmoklis 01519500

15014280166436
49,88 €
Su mokesčiais
pristatymas per 5-9 darbo dienas
Kiekis

Aprašymas
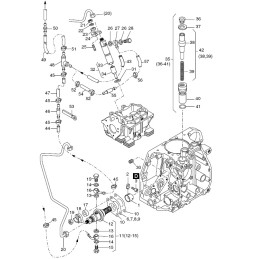
HATZ 1D41 1D50 1D81 dozės ribotuvas stūmoklis ​01519500​ Prekės aprašymas:

Gamintojas - Vokietijos įmonė HATZ.

Katalogo numeris: 01519500

Prekė Nr.42 iš katalogo kortelės (antra nuotrauka)

Taikymas: HATZ varikliai 1D30 1D31 1D40 1D41 1D42 1D50 1D60 1D80 1D81 1D90

Originalus dozatorius, visiškai naujas.

Prekė detaliau
15014280166436
Nauja

Charakteristikos

Detalės numeris
01519500

Specifinė nuoroda

MPN
01519500