• Tik internetu
Hatz 1b20 1b30 greičio reguliatoriaus spyruoklė 05130910
  • Hatz 1b20 1b30 greičio reguliatoriaus spyruoklė 05130910
  • Hatz 1b20 1b30 greičio reguliatoriaus spyruoklė 05130910
  • Hatz 1b20 1b30 greičio reguliatoriaus spyruoklė 05130910

Hatz 1b20 1b30 greičio reguliatoriaus spyruoklė 05130910

15014280166295
17,28 €
Su mokesčiais
pristatymas per 5-9 darbo dienas
Kiekis

Aprašymas
HATZ 1B20 1B30 greičio reguliatoriaus spyruoklė 05130910 Prekės aprašymas:

Gamintojas - Vokietijos įmonė HATZ.

Katalogo numeris: 05130910

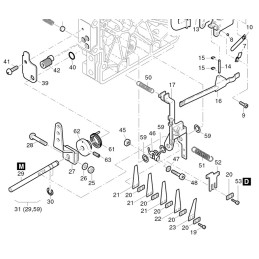
Prekė Nr.51 iš katalogo kortelės (antra nuotrauka)

Bendras spyruoklės ilgis ~35mm, skersmuo ~6mm

Taikymas: HATZ 1B20 1B30

varikliai Originali spyruoklė, visiškai nauja.

Prekė detaliau
15014280166295
Nauja

Charakteristikos

Detalės numeris
05130910

Specifinė nuoroda

MPN
05130910