• Tik internetu
Hatz 1d41 1d81 skirstomojo veleno guolis 03793800
  • Hatz 1d41 1d81 skirstomojo veleno guolis 03793800
  • Hatz 1d41 1d81 skirstomojo veleno guolis 03793800

Hatz 1d41 1d81 skirstomojo veleno guolis 03793800

15014382528224
33,19 €
Su mokesčiais
pristatymas per 5-9 darbo dienas
Kiekis

Aprašymas
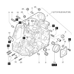
HATZ 1D41 1D50 1D81 skirstomojo veleno guolis 03793800 Prekės aprašymas:

Gamintojas - Vokietijos įmonė HATZ.

Katalogo numeris: 03793800

Variklio bloke sumontuotas guolis Prekė Nr.5 iš katalogo kortelės (antra nuotrauka)

Taikymas: HATZ varikliai 1D30 1D31 1D41 1D50 1D81 1D90

Originalus guolis,visiškai naujas.

Prekė detaliau
15014382528224
Nauja

Charakteristikos

Detalės numeris
03793800

Specifinė nuoroda

MPN
03793800