• Tik internetu
Hatz 1d traukos guolio poveržlė 1 05 04069500
  • Hatz 1d traukos guolio poveržlė 1 05 04069500
  • Hatz 1d traukos guolio poveržlė 1 05 04069500

Hatz 1d traukos guolio poveržlė 1 05 04069500

15014308726846
12,59 €
Su mokesčiais
pristatymas per 5-9 darbo dienas
Kiekis

Aprašymas
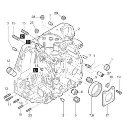
HATZ 1D41 1D50 1D81 traukos įvorės poveržlė 1,05 mm 04069500 Prekės aprašymas:

Gamintojas - Vokietijos įmonė HATZ.

Katalogo numeris: 04069500

Prekė Nr.18 iš katalogo kortelės (antra nuotrauka)

Taikymas: HATZ varikliai 1D30 1D31 1D40 1D41 1D50 1D60 1D80 1D81 1D90

Storis: 1.05mm

Poveržlės storis turi būti parinktas taip, kad būtų užtikrintas ašinis tarpas tarp veleno 0,1–0,4 mm. Originali skalbyklė, visiškai nauja.

Prekė detaliau
15014308726846
Nauja

Charakteristikos

Detalės numeris
04069500
Originalus Detalės numeris
04069500

Specifinė nuoroda

MPN
04069500