• Tik internetu
Jungtis hitachi fv30 zx330 zx210w zx200
  • Jungtis hitachi fv30 zx330 zx210w zx200
  • Jungtis hitachi fv30 zx330 zx210w zx200
  • Jungtis hitachi fv30 zx330 zx210w zx200
  • Jungtis hitachi fv30 zx330 zx210w zx200
  • Jungtis hitachi fv30 zx330 zx210w zx200

Jungtis hitachi fv30 zx330 zx210w zx200

15013750389703
43,02 €
Su mokesčiais
pristatymas per 5-9 darbo dienas
Kiekis

Aprašymas
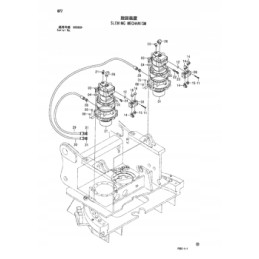
JUNGTIS HITACHI 218HSL, 225CL RTS JD, 270C LC JD, CP220-3, CS125-3, EH5000AC-3-C, EX1200-5, EX1200-5C, EX1200-5D, EX1200-5D, EX120-5D, EX12N-5,05EX0 , EX3600 -5, EX3600-6, EX3600E-6, EX5500, EX5500-5, EX5500-6, EX5500E-6, ZX200, ZX160, ZX130K, ZX230, ZX450, Z, 500 NAUJIENA GALIMYBĖS KAINA DĖL SANDĖLIO PARDAVIMO. GALI BŪTI BE ORIGINALIOS PAKUOTĖS IR TURĖTI SANDĖLIAVIMO ŽENKLIUS

SCHEMOJE NUMERIS 15

SAUGOJIMO NUMERIS: HITACH/125

Prekė detaliau
15013750389703
Nauja

Charakteristikos

Detalės numeris
A853166

Specifinė nuoroda

MPN
A853166