• Tik internetu
Manitou mrt teleskopo grandinės tvirtinimo kaištis
  • Manitou mrt teleskopo grandinės tvirtinimo kaištis
  • Manitou mrt teleskopo grandinės tvirtinimo kaištis
  • Manitou mrt teleskopo grandinės tvirtinimo kaištis
  • Manitou mrt teleskopo grandinės tvirtinimo kaištis

Manitou mrt teleskopo grandinės tvirtinimo kaištis

15012762868344
21,98 €
Su mokesčiais
pristatymas per 5-9 darbo dienas
Kiekis

Aprašymas
Pirkite drąsiai!

Pasirinkę mūsų pasiūlymą, galite būti tikri, kad įsigysite originalias Manitou dalis!

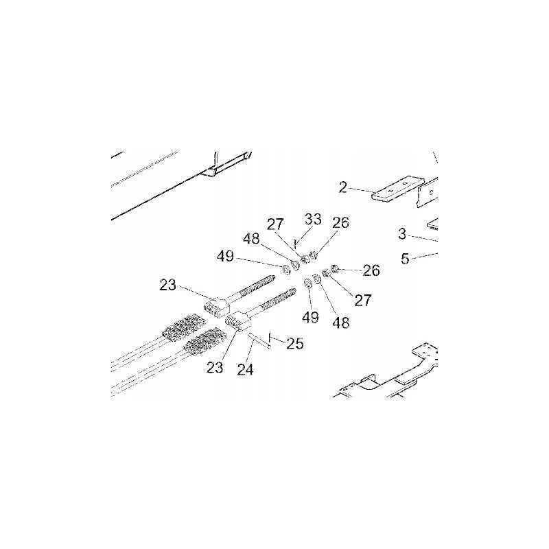
MANITOU MRT teleskopo grandinės tvirtinimo kaištis

Originalus teleskopinis grandinės tvirtinimo kaištis, gamykloje naudojamas Manitou MRT serijos krautuvuose.

Apkaba yra šalia pagrindinės krautuvo svirties. Jis yra atsakingas už rankos ilgintuvo grandinės sujungimą su rankos įtempimo elementu Pridedamame brėžinyje kaištis pažymėtas 24 pozicijoje.

Dėl pažeisto kaiščio jungtis gali nutrūkti ir grandinė įstrigti tarp strėlės segmentų Norint tinkamai suderinti dalį su krautuvu, būtinas mašinos serijos numeris. Paprastai jį rasite ženkle už operatoriaus sėdynės. Prieš pirkdami patikrinkite, ar dalis bus suderinama su jūsų įkrovikliu.

Pasikliaukite mūsų daugiau nei 30 metų patirtimi.

Peržiūrėkite mūsų komentarus ir įsitikinkite, kad pasirinkote gerai.

Prekė detaliau
15012762868344
Nauja

Charakteristikos

Gamintojas
Manitou
Detalės numeris
887007
Pakuotės būklė
Originalus
Mašinos tipas
Įkroviklis
Mašinos prekės ženklas
Inna

Specifinė nuoroda

MPN
887007