• Tik internetu
Radiatoriaus žarnos alkūnė jcb 3cx 4cx 834 00666
  • Radiatoriaus žarnos alkūnė jcb 3cx 4cx 834 00666
  • Radiatoriaus žarnos alkūnė jcb 3cx 4cx 834 00666

Radiatoriaus žarnos alkūnė jcb 3cx 4cx 834 00666

15010424288151
25,78 €
Su mokesčiais
pristatymas per 5-9 darbo dienas
Kiekis

Aprašymas
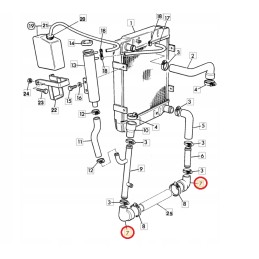
RADIATORIŲ ŽARNOS ALUKNĖ Naudojimas:

JCB ekskavatoriniai krautuvai: 2CX 3CX 4CX

JCB teleskopiniai krautuvai: 525-50

JCB krautuvai: 406 408

Nuorodos numeris: 834/00666 *

* Prekių ženklai, naudojami jų svetainės turinyje, yra jų legalaus turinio nuosavybė savininkai. Gamintojų pavadinimai ir numeriai pateikiami tik informaciniais tikslais, vadovaujantis str. 156 Pramoninės nuosavybės įstatymo.

Prekė detaliau
15010424288151
Nauja

Charakteristikos

Detalės numeris
834/00666

Specifinė nuoroda

MPN
834/00666