• Tik internetu
Orbitrol ospc 80 ls wzm hidroliderio palaikymas
  • Orbitrol ospc 80 ls wzm hidroliderio palaikymas
  • Orbitrol ospc 80 ls wzm hidroliderio palaikymas
  • Orbitrol ospc 80 ls wzm hidroliderio palaikymas
  • Orbitrol ospc 80 ls wzm hidroliderio palaikymas

Orbitrol ospc 80 ls wzm hidroliderio palaikymas

15012827621351
Hydrolider
209,37 €
Su mokesčiais
pristatymas per 5-9 darbo dienas
Kiekis

Aprašymas
ORBITROL OSPC 80 LSPGamyba:

Originalinis Hydrolider prekės ženklo produktas, simbolis: 1.06.02.080

Kitų gamintojų palyginamieji numeriai:

OSPC-80-LS, OSPC80LS, 150 -1230

Taikymas:

Plačiai naudojamas vairavimo sistemose pramoninėse mašinose ir transporto priemonėse, naudojamose transporte, žemės ūkyje, sodininkystėje, miškininkystėje, statybose ir pramonėje.

Orbitrol OSPC 80 LS skirtas hidrauliniam vairo sistemos valdymui žemės ūkio traktoriuose, šakiniuose krautuvuose, ekskavatoriuose, kombainuose ir statybinėse mašinose, kurių siurblys yra su LS jutikliu.

GERBIAMAS KLIENTAE, SKAITYKITE TAI PRIEŠ PIRKANT ORBITROL:

Orbitrol yra labai tikslus prietaisas, svarbus eismo saugumui. Deja, rinkoje yra daug pigių gaminių iš Kinijos, kurie iš pirmo žvilgsnio atrodo vienodai, tik prastas jų tikslumas trukdo tinkamai vairuoti ir valdyti traktorių. Nerekomenduojame pigiausių orbitrols, iš nepatikimų šaltinių iš pardavėjų, kurie neturi patirties parduodant tokio tipo įrenginius.

Techniniai duomenys:

Orbitrol 80 su LS (LOAD SENSING) sistema, kai vairas stovi, alyvos srautas per orbitrol yra uždarytas, tada orbitrol palaiko slėgį sistemoje. LS sistema siunčia signalą į siurblį kiekvieną kartą, kai pajudinamas vairas.

Jungtys: P, T, A, B vidinės sriegiai [BSP]: 1/2'

LS jungtis: vidinis sriegis [BSP] 1/4'

Vairo kolonėlės tvirtinimas: 4x M10 varžtas - 16mm

Vožtuvo nustatymas: perpildymas 160bar, smūgis 240bar

Geometrinis tūris: 80cm3/aps.

Rekomenduojamas alyvos srautas sistemoje: nuo 6 iki 10L/min.

Medžiaga: ketus

Brėžinys su visais matmenimis ( nuotrauka):

Hydrolider gaminamų orbitrolų privalumai:

Speciali, sustiprinta ir tiksliau pagaminta konstrukcija užtikrina nepriekaištingą veikimą be sandarumo, netrūkstant vairo ir, svarbiausia, labai lengvas ir sklandus valdymas net ir labai apkrautose transporto priemonėse.

Kiekvienas orbitrolis siunčiamas kartu su hidraulinių linijų prijungimo instrukcijomis, taip pat teikiame visą techninę pagalbą pasirenkant tinkamą orbitrolą ir montuojant.

Pagaminta Europoje, iš patikimo šaltinio, suteikiama dvejų metų garantija, patikrintas produktas iš patikimo gamintojo.

Vairavimas net ir sugedus traktoriui ar siurbliui, ši funkcija labai naudinga avarinės situacijos, pvz., velkant.

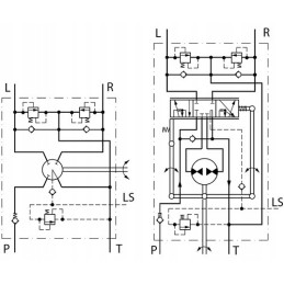
OSPC LS orbitrol hidraulinė schema (nuotrauka ):

Prekė detaliau
Hydrolider
15012827621351
Nauja

Charakteristikos

Gamintojas
Hydrolider
Detalės numeris
A1.06.02.080

Specifinė nuoroda

MPN
A1.06.02.080