• Tik internetu
Orbitrol ospc 125 ant hidroliderio sienelės 320 Nr
  • Orbitrol ospc 125 ant hidroliderio sienelės 320 Nr
  • Orbitrol ospc 125 ant hidroliderio sienelės 320 Nr
  • Orbitrol ospc 125 ant hidroliderio sienelės 320 Nr
  • Orbitrol ospc 125 ant hidroliderio sienelės 320 Nr
  • Orbitrol ospc 125 ant hidroliderio sienelės 320 Nr

Orbitrol ospc 125 ant hidroliderio sienelės 320 Nr

15012757523551
Hydrolider
191,69 €
Su mokesčiais
pristatymas per 5-9 darbo dienas
Kiekis

Aprašymas
ORIGINALUS ORBITROL HYDROLIDER OSPC 125 ĮJUNGTAS KOMPLEKTUOSE SU 320 mm VELENU IR JUNGTISGamyba:

Originalus Hydrolider prekės ženklo produktas, simbolis: 1.06.10.132

Palyginimo numeriai/: >OSPC-125 -ON, OSPC125ON, 150N2152

Taikymas:

Jis plačiai naudojamas vairavimo sistemose pramoninėse mašinose ir transporto priemonėse, naudojamose transporte, žemės ūkyje, sodininkystėje, miškininkystėje, statybose ir pramonei.

Orbitrol OSPC 125 ON skirtas hidrauliniam žemės ūkio traktorių, šakinių krautuvų, ekskavatorių, kombainų, statybinių mašinų ir kt. vairavimo sistemos valdymui.

GERBIAMAS KLIENTAE, PERSKAITYKITE ŠIA PRIEŠ SAVO PIRKTI ORBITROL:

Orbitrol yra labai tikslus įrenginys, svarbus eismo saugumui.Deja, rinkoje yra daug pigių gaminių iš Kinijos, kurie iš pirmo žvilgsnio atrodo vienodai, tačiau dėl prasto tikslumo to padaryti neįmanoma. tinkamai vairuoti ir dirbti su traktoriumi. Nerekomenduojame pigiausių orbitrolių iš nepatikimų šaltinių, pardavėjų, kurie neturi patirties parduodant tokio tipo prietaisus.

Techniniai orbitrol duomenys:

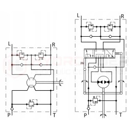
Orbitrol 125 su ON (OPEN NORMALLY) sistema, o kai vairas stovi, tepalai visą laiką cirkuliuoja sistemoje ir laisvai praeina pro orbitrolą, grįžtamąją liniją į baką, siurblys tada dirba, bet yra neapkrautas.

< p/>Jungtys: P, T, A, B, išėjimo sriegiai: M18x1. 5

Vairo kolonėlės tvirtinimas: 4x M10 varžtas - 16mm

Ventuvo nustatymas: perpildymas 160bar, smūgis 240bar

Geometrinis tūris: 125 cm3/aps.

< p/>Rekomenduojamas alyvos srautas sistemoje: nuo 10 iki 14 l/min.

Medžiaga: ketus

Techniniai veleno duomenys:

Frežerių skaičius ant galo šoninėje orbitrolėje: 12

Frezuoto antgalio plotis: 20,10 mm

Bendras veleno ilgis : 320 mm

Lygaus antgalio plotis: 25 mm

Brėžinys pagal visus matmenis (nuotrauka):

Hydrolider gaminamų orbitolių privalumai:

Speciali, sustiprinta ir tiksliau pagaminta konstrukcija užtikrina nepriekaištingą veikimą be sandarumo, vairo trūkčiojimo ir, svarbiausia, labai lengvą ir sklandų valdymą net ir labai pakrautose transporto priemonėse.

Kiekvienas orbitrolis siunčiamas kartu su instrukcijomis. hidraulinių linijų prijungimui taip pat teikiame visą techninę pagalbą parenkant tinkamą orbitrolą ir sumontuojant.

Pagaminta Europoje, iš patikimų šaltinių, patikrintos prekės iš patikimo gamintojo.

Vairavimas net ir sugedus traktoriui ar siurbliui, ši funkcija labai praverčia avarinėse situacijose, pvz., velkant.

OSPC ON orbitrol hidraulinė schema ( nuotraukos):

Kituose aukcionuose turime daugybę priedų savo orbitroliams:

Prekė detaliau
Hydrolider
15012757523551
Nauja

Charakteristikos

Gamintojas
Hydrolider
Detalės numeris
A1.06.10.132
Produkto svoris su vienetine pakuote
9 kg

Specifinė nuoroda

MPN
A1.06.10.132