• Tik internetu
Orbitrol ospc 125 ant sustiprinto hidroliderio veleno 80
  • Orbitrol ospc 125 ant sustiprinto hidroliderio veleno 80
  • Orbitrol ospc 125 ant sustiprinto hidroliderio veleno 80
  • Orbitrol ospc 125 ant sustiprinto hidroliderio veleno 80
  • Orbitrol ospc 125 ant sustiprinto hidroliderio veleno 80
  • Orbitrol ospc 125 ant sustiprinto hidroliderio veleno 80

Orbitrol ospc 125 ant sustiprinto hidroliderio veleno 80

15012757529123
Hydrolider
182,70 €
Su mokesčiais
pristatymas per 5-9 darbo dienas
Kiekis

Aprašymas
ORIGINALUS ORBITROL HYDROLIDEROSPC 125 ON SU VARO VELENU 80mmGamyba:

Originalinis Hydrolider prekės ženklo produktas, simbolis: 1.06.10.126

Kitų gamintojų palyginimo numeriai

OSPC-125 -ON, OSPC125ON, 150N2152

Taikymas:

Jis plačiai naudojamas vairavimo sistemose pramoninėse mašinose ir transporto priemonėse, naudojamose transporte, žemės ūkyje, sodininkystėje, miškininkystėje, statybose ir pramonėje .

Orbitrol OSPC 125 ON skirtas hidrauliniam žemės ūkio traktorių, šakinių krautuvų, ekskavatorių, kombainų, statybinių mašinų ir kt. vairavimo sistemos valdymui.

GERBIAMAS KLIENTE, PERSKAITYKITE ŠIA PRIEŠ PIRKTI ORBITROL:

Orbitrol yra labai tikslus įrenginys, svarbus eismo saugumui.Deja, rinkoje yra daug pigių gaminių iš Kinijos, kurie iš pirmo žvilgsnio atrodo vienodai, tačiau dėl prasto tikslumo neįmanoma vairuoti ir tinkamai dirbti su traktoriumi. Nerekomenduojame pigiausių orbitrolių iš nepatikimų šaltinių, pardavėjų, kurie neturi patirties parduodant tokio tipo prietaisus.

Techniniai orbitrol duomenys:

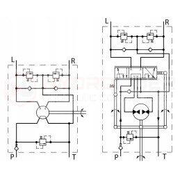
Orbitrol 125 su ON (OPEN NORMALLY) sistema, o kai vairas stovi, tepalai visą laiką cirkuliuoja sistemoje ir laisvai praeina pro orbitrolą, grįžtamąją liniją į baką, siurblys tada dirba, bet yra neapkrautas.

< p/>Jungtys: P, T, A, B vidiniai sriegiai [BSP] : 1/2'

Vairo kolonėlės tvirtinimas: 4x M10 varžtas - 16mm

Vožtuvo nustatymas: perpildymas 160bar , smūgis 240 bar

Geometrinis tūris: 125cm3/aps.

Rekomenduojamas alyvos srautas sistemoje: nuo 10 iki 14L/min.

Medžiaga: ketus< p>

Veleno techniniai duomenys:

Frežerių skaičius antgalyje iš orbitolio pusės: 12

Frezuoto antgalio plotis: 20,10 mm

Iš viso veleno ilgis: 80 mm

Lygaus antgalio plotis: 25 mm

Brėžinys su visais matmenimis (nuotrauka):

Hydrolider gaminamų orbitrolų privalumai:

Speciali, sustiprinta ir tiksliau pagaminta konstrukcija užtikrina nepriekaištingą veikimą be sandarumo, be vairo trūkčiojimo ir, svarbiausia, labai lengvą ir sklandų vairavimą net ir labai pakrautose transporto priemonėse.

Kiekvienas orbitrolis siunčiamas kartu su hidraulinių linijų prijungimo instrukcijas, taip pat teikiame visą techninę pagalbą pasirenkant tinkamą orbitrolą ir montuojant.

Pagaminta Europoje, iš patikimo šaltinio, patikrintos prekės iš patikimo gamintojo.

Vairavimas net ir sugedus traktoriui ar siurbliui, ši funkcija labai praverčia avarinėse situacijose, pvz., velkant.

Hidraulinė schema orbitrol OSPC ON (nuotrauka):

Mes Kituose aukcionuose turime daugybę priedų mūsų orbitroliams:

Prekė detaliau
Hydrolider
15012757529123
Nauja

Charakteristikos

Gamintojas
Hydrolider
Detalės numeris
A1.06.10.126
Produkto svoris su vienetine pakuote
7 kg

Specifinė nuoroda

MPN
A1.06.10.126