• Tik internetu
Orbitrol OSPC 125 sustiprins hidroliderį su kolona
  • Orbitrol OSPC 125 sustiprins hidroliderį su kolona
  • Orbitrol OSPC 125 sustiprins hidroliderį su kolona
  • Orbitrol OSPC 125 sustiprins hidroliderį su kolona
  • Orbitrol OSPC 125 sustiprins hidroliderį su kolona
  • Orbitrol OSPC 125 sustiprins hidroliderį su kolona

Orbitrol OSPC 125 sustiprins hidroliderį su kolona

15012757523216
Hydrolider
236,91 €
Su mokesčiais
pristatymas per 5-9 darbo dienas
Kiekis

Aprašymas
ORBITROL OSPC 125 ĮJUNGTAS KOMPLEKTUOSE SU Stulpeliu IR JUNGIMUGamyba:

Originalus prekės ženklo Hydrolider produktas, orbitrol simbolis: 1.06.00.125, rinkinio simbolis: 1.06.10.134

kiti gamintojai:

OSPC-125-ON, OSPC125ON, 150N2152

Taikymas:

Plačiai naudojamas vairavimo sistemose pramoninėse mašinose ir transporto priemonėse, naudojamose transporte , žemės ūkyje, sodininkystėje, miškininkystėje, statyboje ir pramonėje.

Orbitrol OSPC 125 ON skirtas hidrauliniam žemės ūkio traktorių, šakinių krautuvų, ekskavatorių, kombainų ir statybinių mašinų vairavimo sistemos valdymui.

GERBIAMAS KLIENTE, PERSKAITYKITE ŠIA PRIEŠ PIRKTI ORBITROL :

Orbitrol yra labai tikslus prietaisas, svarbus eismo saugumui. Deja, rinkoje yra daug pigių gaminių iš Kinijos, kurie iš pirmo žvilgsnio atrodo taip pat žvilgsnio, tačiau dėl prasto jų tikslumo neįmanoma tinkamai vairuoti ir dirbti su traktoriumi. Nerekomenduojame pigiausių orbitrolių iš nepatikimų šaltinių, pardavėjų, kurie neturi patirties parduodant tokio tipo prietaisus.

Techniniai orbitrol duomenys:

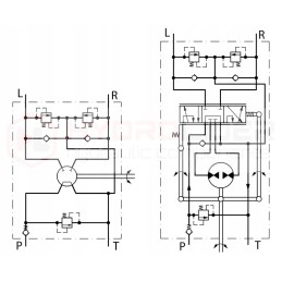
Orbitrol 125 su ON sistema (ATIDARYTA NORMALIAI), vairui stovint, alyva visą laiką cirkuliuoja sistemoje ir laisvai praeina per orbitrolą, grįžtamoji linija į baką, siurblys tada veikia, bet yra neapkrautas.

Jungtys: P, T, A, B vidiniai sriegiai [BSP ]: 1/2'

Vairo kolonėlės tvirtinimas: 4x M10 varžtas - 16mm

Ventuvo nustatymas: perpildymas 160bar, smūgis 240 barų

Geometrinis tūris: 125cm3/ap.

Rekomenduojamas alyvos srautas sistemoje: nuo 10 iki 14L/min.

Medžiaga: ketus

Veleno techniniai duomenys:

Frezų kiekis gale iš orbitolio pusės: 12

Frezuoto antgalio plotis: 20,10 mm

Bendras velenas ilgis: 80 mm

Lygaus antgalio plotis: 24,85 mm

Brėžinys su visais matmenimis (nuotrauka):

Hydrolider orbitrols privalumai:

Speciali, sustiprinta ir tiksliau pagaminta konstrukcija užtikrina nepriekaištingą veikimą be nuotėkių ir nekratant vairo, o svarbiausia – labai lengvą ir sklandų valdymą net ir labai pakrautose transporto priemonėse.

Kiekvienas orbitrolis siunčiamas kartu su instrukcijomis jungiant hidraulines linijas, taip pat teikiame visą techninę pagalbą pasirenkant tinkamą orbitrolą ir montuojant.

Pagaminta Europoje, iš patikimo šaltinio, patikrintas produktas iš patikimo gamintojo.

Vairavimas. net ir sugedus traktoriui ar siurbliui, ši funkcija labai praverčia avarinėse situacijose, pvz., velkant.

OSPC ON orbitrol hidraulinė schema (nuotrauka):

Bendra vairo kolonėlės techniniai duomenys:

Labai tvirta vairo kolonėlė, dvigubas guolis, cinkuotas.

Profesionalios gamybos linijos gaminys.

Viršutinė kolonėlės dalis , velenas su kūgiu, tinka originaliam vairui iš aukščiau. traktorių modeliai.

Apatinė kolonos dalis, tipinis frezuotas velenas (12 frezų), tipinis ir standartizuotas skriemulys.

Prekė detaliau
Hydrolider
15012757523216
Nauja

Charakteristikos

Gamintojas
Hydrolider
Detalės numeris
A1.06.10.134

Specifinė nuoroda

MPN
A1.06.10.134