• Tik internetu
Vairo stiprintuvo pavaros kaištis New Holland 5111572
  • Vairo stiprintuvo pavaros kaištis New Holland 5111572
  • Vairo stiprintuvo pavaros kaištis New Holland 5111572
  • Vairo stiprintuvo pavaros kaištis New Holland 5111572

Vairo stiprintuvo pavaros kaištis New Holland 5111572

15013318334636
Granit
47,12 €
Su mokesčiais
pristatymas per 5-9 darbo dienas
Kiekis

Aprašymas
Case New Holland vairo stiprintuvo cilindro kaištis 5111572Tinka

Byla:

FARMALL: 85A, 95A, 105A, 115A

JX: FARMALL JX75, FARMALL, JX80 FARMALL JX90, FARMALL JX100, FARMALL JX110, JX60, JX70, JX75, JX8JX, JX75, JX8JX,9,9,9 80

Naujoji Olandija:

T5.: T5.90 S, T5.100 S, T5.110 S

TD: TD80, TD90, TD95

TD5.: TD5.75, TD5.80, TD5.85, TD5.90, TD5.95, TD5 100 5D PLUS

Fiat:

70-66 DT, 70-66S DT, 70-88 DT, 70-90 DT, 80-66, 80-66 DT, 80-66S DT, 80-88 DT, 80-90 DT, 90-90 DT, 100 -90 DT, 110-90 DT, 115-90 DT, 130-90 DT, 140-90 DT, 160-90 DT, 180-90 DT

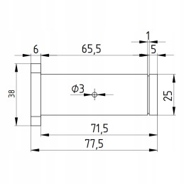
Matmenys:

Kaiščio skersmuo: 25 mm

Kaiščio ilgis: 78 mm / 72 mm

Kaiščio skylės skersmuo: ~3 mm

Katalogo numeris: 5111572

Prekė detaliau
Granit
15013318334636
Nauja

Charakteristikos

Gamintojas
Granit
Detalės numeris
5111572N
Originalus Detalės numeris
5111572
Produkto svoris su vienetine pakuote
0.4 kg

Specifinė nuoroda

MPN
5111572N