• Tik internetu
Vairo pavara su new holland 9838429
  • Vairo pavara su new holland 9838429
  • Vairo pavara su new holland 9838429

Vairo pavara su new holland 9838429

15010760409657
CAT
26,39 €
Su mokesčiais
pristatymas per 5-9 darbo dienas
Kiekis

Aprašymas
Vardas:

New Holland vairo cilindro guolis 9838429

Aprašymas:

Dalies numeris

EAN 8719607107471

Vieneto menas

Paraiška

Strypų galvutės

Teoriniai jungties taškai

Pakabos

Savybės

Privaloma priežiūra

Plieno-plieno slankioji jungtis

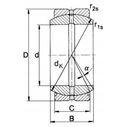
dVidinis skersmuo 25 mm

DIorinis skersmuo 42 mm

Guolių tipas Jungtinis guolis

Išorinės dalies plotis 16 mm

CVidinės dalies plotis 20 mm

dkKauliuko skersmuo 35 mm

Gamintojas: pakeitimas

Prekė detaliau
CAT
15010760409657
Nauja

Charakteristikos

Gamintojas
CAT
Detalės numeris
KGE25DO1

Specifinė nuoroda

MPN
KGE25DO1