• Tik internetu
Rutulinis guolis paprastai 30x55x13 mm ina fag 60062rs
  • Rutulinis guolis paprastai 30x55x13 mm ina fag 60062rs
  • Rutulinis guolis paprastai 30x55x13 mm ina fag 60062rs

Rutulinis guolis paprastai 30x55x13 mm ina fag 60062rs

15012293656061
FAG
31,04 €
Su mokesčiais
pristatymas per 5-9 darbo dienas
Kiekis

Aprašymas
Dalies numeris: 60062RS

EAN: 8716106437610

Vienetas: gabalas

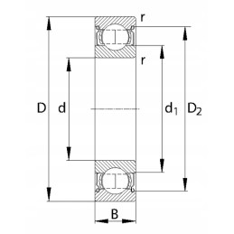
Vidinis skersmuo: 30 mm

Išorinis skersmuo: 55 mm

Plotis: 13 mm

Sandarinimo tipas: 2RS

Guolio tipas: Gilaus griovelio rutulinis guolis

Radialinė statinė apkrova: 8000 N

Radialinė dinaminė apkrova: 12700 N

Sukimosi greitis: 8500 aps./min. Griovelių skaičius: 1

Vidinė prošvaisa radialinis - kodas: CN

Vidinio žiedo forma: Cilindrinis

Medžiaga: Plienas

Guolis gali būti tepamas: Nr

OE nuorodos numeris: 6006-2RSR

Kiekis pakuotėje: 1 vnt.

Prekė detaliau
FAG
15012293656061
Nauja

Charakteristikos

Gamintojas
FAG
Detalės numeris
60062RS

Specifinė nuoroda

MPN
60062RS