Orbitrol ospc 315 ls ms hkus320 5t
    • Orbitrol ospc 315 ls ms hkus320 5t
    • Orbitrol ospc 315 ls ms hkus320 5t
    • Orbitrol ospc 315 ls ms hkus320 5t
    • Orbitrol ospc 315 ls ms hkus320 5t

    Orbitrol ospc 315 ls ms hkus320 5t

    15012757806904
    443,27 €
    Su mokesčiais
    pristatymas per 5-9 darbo dienas
    Kiekis

    Aprašymas
    ORBITROL OSPC 315 LSPGamyba:

    Originalus M+S Hydraulic prekės ženklo produktas, simbolis: HKUS320/5T

    Kitų gamintojų palyginimo numeriai:

    OSPC-315-LS, OSPC315LS, 150-1235, HKUS320/5T

    Naudojimas:

    vairavimo sistemose pramoninėse mašinose ir transporto priemonėse, naudojamose transporte, žemės ūkyje, sodininkystėje, miškininkystėje, statybose ir pramonėje.

    Orbitrol OSPC 315 LS skirtas hidrauliniam žemės ūkio traktorių, šakinių krautuvų, ekskavatorių, kombainų ir statybinių mašinų vairavimo sistemos valdymui siurblys sumontuotas LS daviklyje.

    GERBIAMAS KLIENTAE, PERSKAITYKITE ŠIA PRIEŠ PIRKDAMI ORBITROL:

    Orbitrol yra labai tikslus ir svarbus saugaus eismo įrenginys, deja, rinkoje yra daug pigių gaminių iš Kinijos, kurie iš pirmo žvilgsnio atrodo taip pat žvilgsnio, tačiau dėl prasto tikslumo neįmanoma tinkamai vairuoti ir dirbti su traktoriumi. Nerekomenduojame pigiausių orbitrolių iš nepatikimų šaltinių iš pardavėjų, kurie neturi patirties prekiaujant tokio tipo įrenginiais.

    Techniniai duomenys:

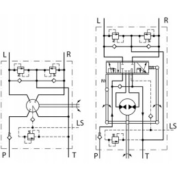
    Orbitrol 315 su LS (LOAD SENSING) sistema, vairui stovint, teka alyva. orbitrol yra uždarytas, orbitrol palaiko tada slėgį sistemoje. LS sistema duoda signalą siurbliui kiekvieną kartą, kai pajudinamas vairas.

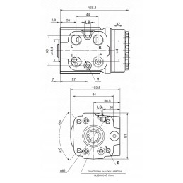
    Jungtys: P, T, L, R vidinės sriegiai [BSP]: 1/2'

    LS jungtis: vidinis sriegis [BSP] 1/4'

    Srieginės skylės V: 2x M10x1 - gylis: 16 mm

    Srieginės skylės B: 4x M10 - gylis: 18 mm

    Vožtuvo nustatymas: perpildymas 160 barų, smūgis 240 bar

    Geometrinis tūris: 316 cm3/aps.

    Rekomenduojamas alyvos srautas sistemoje: 35L/25-25 min.

    Medžiaga: ketus

    Brėžinys su visais matmenimis (nuotrauka):

    M+S Hydraulic gaminamų orbitrolų privalumai:

    Speciali, sustiprinta ir tiksliau pagaminta konstrukcija užtikrina nepriekaištingą veikimą be sandarumo, netrūkstant vairo ir daugumos svarbu labai lengvas ir sklandus valdymas net ir labai pakrautose transporto priemonėse.

    Kiekvienas orbitrolis siunčiamas kartu su hidraulinių linijų prijungimo instrukcijomis, taip pat teikiame visą techninę pagalbą pasirenkant tinkamą orbitrolą ir montuojant.

    Pagaminta Europoje, iš patikimo šaltinio , turi dvejų metų garantiją, patikrintas produktas iš patikimo gamintojo.

    Vairavimas net ir sugedus traktoriui ar siurbliui, ši funkcija labai praverčia avarinėse situacijose, pvz., velkant.

    OSPC LS orbitrol hidraulinė schema ( nuotrauka):

    Prekė detaliau
    15012757806904
    Nauja

    Charakteristikos

    Gamintojas
    M+S Hydraulic
    Detalės numeris
    A1.06.05.320