- Traktoriams
- Kombainams
- Kitoms žemės ūkio mašinoms
- Statybinių mašinų dalys
- Žemės ūkio mašinų dalys
- Kitai žemės ūkio technikai
- Sodo įrankiai Įvairūs įrankiai
- Filtrai
- Traktorių dalys
- Katalogai ir vadovai
- Traktoriaus dalys
- Hidraulinė jėga
- Namams ir dirbtuvėms skirtos virvės,
- Standartinės dalys
- Hidraulinės sistemos
- Mašinų dalys
- Transporto priemonių įranga
- 3ESarmikai, sandarikliai
- 3ESandarikliai, sandarikliai
- 3EAlyvos, tepalai, skysčiai, pastos
- 3EPadangos
- 3EOlyvos, tepalai, skysčiai, pastos
- 3ECaminių automobilių priedai
- 3EPramoniniai nuimtuvai
- 3EPakabų priedai
- 3ESandarikliai, hermetikai
- 3EPajomobilių priedai
- 3EZarnos
- 3ECautalinių priedai
- 3EPanewki
- 3ELampos
- 3ESandarinimo žiedai
- 3ELugarka
- 3ERėmos
- 3ECautomobilių priedai
- 3ESauga
- 3EPšvietimas
- 3ESargiai, sandarikliai
- 3EKeltuvai
- Sunkvežimių žarnos
- 3ELaisting
- 3EPenewki
- Traktoriaus dalys
- 3E Guminiai plūgų peiliai
- Mašinų dalys
- 3EPautoriaus priedai
- 3ELiftai
- Pneumatika
- 3EKaitrų automobilių priedai
- 3ELightings
- 3EPriekabų priedai
- 3ESarmikai, hermetikai
- 3EAušinimo sistemos, sandarikliai
- Hidraulinė galia
- Transporto priemonių įranga
- 3E Tarpinės, sandarikliai
- Padangos
- Alyvos, tepalai, skysčiai, pastos
- Sarmikai, sandarikliai
- Sandarikliai, sandarikliai
- Olyvos, tepalai, skysčiai, pastos
- Caminių automobilių priedai
- Pramoniniai nuimtuvai
- Pakabų priedai
- Sandarikliai, hermetikai
- Pajomobilių priedai
- Zarnos
- Cautalinių priedai
- Panewki
- Lampos
- Sandarinimo žiedai
- Lugarka
- Rėmos
- Sargiai, sandarikliai
- Cautomobilių priedai
- Sauga
- Pšvietimas
- Aušinimo sistemos, sandarikliai
- Keltuvai
- Sarmikai, hermetikai
- Pautoriaus priedai
- Laisting
- Penewki
- Transporto priemonės įranga
- Galios perdavimas
- ANDORIA
- Galios perdavimo diržai, suspausti diržai, Z tipo diržai
- Zootechnika
- Stiklas
- MORGA
- Hidraulinė jėga, hidraulinės jungtys, jungiamosios detalės, TE formos detalės
- Hidraulinė galia
- Hidraulinės jėgos hidraulikos jungtys, tiesios, metrinės
- Namai ir dirbtuvės
- Traktorių dalys John Deere
- Vandens armatūra
- Sodo žarnos ir laistymo sistemos, žarnų priedai
- Gyvulininkystė
- Stiklo
- PZL HYDRAL
- ANDORIA variklis, varžtai
- ELMOT
- Kuro įranga
- Sodo įrankiai, krūmai
- Hidraulinės jėgos hidraulikos jungtys, arkinės jungtys
- Sodo įrankiai, kastuvai
- Sodo
- Namams ir dirbtuvėms skirti įrankiai
- Elektros instaliacijos, kištukai, lizdai
- Elektros
- Galios hidraulika
- Vandens jungiamosios detalės
- Traktorių vairo stiprintuvų sistemos
- Namams ir dirbtuvėms skirtos žarnos
- Galios perdavimo
- Hidraulinės jėgos hidraulikos
- Gyvulininkystės
- Sunkvežimių žarnos
- Spyruokliniai pirštai
- PEN
- Namams ir dirbtuvėms
- 3 taškų pakabos sistema
- Hidraulinės jėgos hidraulikos, jungčių ir perpildymo varžtų
- Garden
- Galios perdavimo diržai
- Hidraulinės sistemos, hidraulinės jungtys, fiksavimo veržlės
- MORGA tvirtinimo žiedai, pleištai
- Hidraulinės jungtys, žarnų remonto jungtys
- Namams ir dirbtuvėms skirtos tvirtinimo detalės
- Darbuotojų saugos ir sveikatos drabužiai
- Namams ir dirbtuvėms skirti klijai, silikonai, glaistai
- Namams ir dirbtuvėms skirti tvorų padėklai ir statybinės vonios
- Hidraulinės jungtys, perpildymo varžtai, colio perpildymo varžtai
- Mašinos dalys
- Kuro aparatas
- Zz Kiti
- Namų ir dirbtuvių
- SEZONAS DIRBIMAS
- GRĖBLIS
- Standartai
- Langai
- Elektros starteriai
- Hidraulinės jėgos hidraulikos jungtys, flanšas
- Transmission
- Zootechnikos
- Hidraulinės jėgos žarnos
- Hidraulinė jėgainė
- Pavaros sistema
- ŪKIS
- Pneumatika
- „Zetor“ traktorių dalys
- Namams ir dirbtuvėms skirti įrankiai, pjūklai
- MORGA žiedai, pleištai
- Hidraulinės pavaros
- „Normalia“ guoliai
- Hidraulinė pavara
- ŪKIO
- Transporto priemonių įranga, apšvietimas, darbo žibintai
- Namams ir dirbtuvėms skirti kubilai ir statybinės vonios
- Elektros įranga, starteriai, šluotelės
- Elektros įranga
- Sunkvežimių laidai
- Hidraulinės jungtys, perpildymo varžtai
- Zootechnikos priemonės triušiams
- 3 taškų pakabinimo sistema
- Hidraulinė pavara, greitosios jungtys, kištukai
- Elektros sistemos, starteriai, kitos dalys
- ANDORIAVariklis
- DOVANOS idėja
- Hidraulinė sistema
- 3 taškų prikabinimo sistema
- MORGAN
- Hidraulinės hidraulikos
- ANDORIJA
- Darbuotojų saugos ir sveikatos drabužiai, marškinėliai
- Sodo įrangos dalys
- Namams ir dirbtuvėms skirtos virvės, skirtos sandėliavimui,
- Elektros įrangaJungikliai, jungikliai, mygtukai
- Hidraulinės sistemos, hidraulinės jungtys, privirinami galai
- Standartinės dalys, tvirtinimo elementai, kaiščiai ir pleištai pagal DIN688
- MORGA Dirvos dangčiai - rankenos
- Šarnyriniai velenai
- Namams ir dirbtuvėms skirti matavimo įrankiai
- Galios perdavimo sistemos
- Namams ir dirbtuvėms skirti spiraliniai kabeliai
- Kardaniniai velenai
- Hidraulinės jėgos sistema
- Sodo žarnos ir laistymo sistemos Lietaus vandens surinkimas
- Hidraulinės žarnos
- Transmisijos
- Kuro aparatai
- Sodo įrankiai, laistymo skardinės, kibirai
- SEZONAS PLYTELĖS
- Traktorių vairo stiprintuvo sistemos
- SEZONAS AUGINIMAS
- Elektros prietaisų matuokliai
- Hidraulinės jėgos sistemos
- Pavaros
- Dujinės spyruoklės
- Galios hidraulikos
- Namams ir dirbtuvėms skirtos dėžės
- Elektros grandinės
- Namams ir dirbtuvėms skirti batai
- ELMOTAS
- Hidraulikos galia, hidrauliniai skirstytuvai, platintojai, dalys
- Hidrauliniai mechanizmai, vožtuvai / reguliatoriai
- Sunkvežimių stabdžių žarnos
- Elektros dalys, starteriai, galvutės
- Sunkvežimių trosai
- Hidraulinės jėgos mechanizmai
- Hidraulinės hidraulikos, sandarinimo žiedai
- SEZONAS VEJAPJOVĖLĖ
- Įprastos dalys
- Elektros detalės
- Elektros sistemos, starteriai, sankabos mazgai
- Elektriniai
- Sodo įrankiai, grąžtai
- Transmisija
- Naglako nameliai
- SEZONAS VEJAPJOVĖ
- Sodo įrankiai
- Elektros instaliacijos
- John Deere traktorių dalys
- Namams ir dirbtuvėms skirtos žarnos,
- 3 taškų kablys
- Jungtys
- Traktorių vairo stiprintuvai
- Elektros instaliacijos, laidai
- Hidrauliniai siurbliai
- Pavaros grandinės
- Hidrauliniai skirstytuvai – sekcijiniai
- Hidraulinė galia, 3 elektroninės valdymo svirtys
- ELMOT gnybtai
- Namams ir dirbtuvėms skirtos virvės
- Elektros instaliacijos, kištukai ir lizdai
- Normalia
- Namams ir dirbtuvėms skirti įrankiai, skirti stacionariems dirbtuvėms, pjaustyti peiliukais
- Hidraulinės jėgos pavara
- Raktai
- Hidraulinė galia, hidraulinės jungtys, stabdžių antgaliai
- Hidraulinės jėgos hidraulikos jungtys
- Trijų taškų prikabinimo sistema
- Spyruokliuojantys pirštai
- SEZONAS VEJAŽOJIMAS
- taškų kablys
- SEZONAS PLYTELIŲ KLOVIMO MAŠINOS
- Namams ir dirbtuvėms skirtos
- Trijų taškų kablys
- Standartinės dalys, praėjimai, sliekų diržai
- Hidraulinė pavara, greitosios jungtys, dangčiai
- Namams ir dirbtuvėms skirtos virvės, skirtos sandėliavimui, banglenčių sportui
- Elektros instaliacija
- Standartinės dalys, tvirtinimo elementai, kibirkščių žiedai pagal DIN7993
- Standartinės dalys, tvirtinimo elementai, tvirtinimo plokštės DIN6799
- Namams ir dirbtuvėms skirta agrotekstilė, agrotekstilės priedai
- Sodas
- Sodo žarnos ir laistymo sistemos
- Filtrai
- Santechnika ir šildymas
- Namai Ir Sodas
- Dirbtuvių įrankiai - namai ir garažas
- Lašelinės sistema - laistymo sistemos
- Sodininkystės įrankiai
- Sodininkystės aksesuarai
- Audiniai, neaustinės medžiagos ir segikliai
- Sodo įranga ir laikikliai
- Slėginiai purkštuvai
- Vejos kraštai ir pakėlimo pakėlės
- Juostelės, segtukai, juostelės ir lipkliai
- Kaklaiščių juostelės, spaustukai, juostelės ir lipkraščiai
- Ibc - jungimo detalės ir priedai
- Elastinės juostelės ir įtempėjai - bungee
- Raiščiavimo juostelės, spaustuvai, juostelės ir lipkliai
- Juostelės, spaustukai, juostelės ir velcro
- Lašelinės laistymo sistema - laistymo sistemos
- Techninės jungtys
- Automobilių priedai
- Reduktoriai, radiatoriai ir priedai
- Sodo įranga ir laistymo sistemos
- Juostelės, spaustukai, juostelės ir lipkliai
- Lašelinės sistemos - laistymo sistemos
- Raiščiai, spaustukai, juostelės ir lipkliai
- Juostelės, segikliai, juostelės ir lipkliai
- Pirštinės
- Maišytuvai ir priedai
- Sodo įranga ir laikyklai
- Kaklaiščių juostelės, segikliai, juostelės ir lipkraščiai
- Žolės pjovimas
- Juostelės, segikliai, juostelės ir lipkriauklės
- Kaklaiščių juostelės, segikliai, juostelės ir lipkraibukai
- Juostelės, segikliai, juostelės ir lipkliukai
- Kaklaiščių juostelės, segikliai, juostelės ir lipkliukai
- Stulpai, spaustukai, atramos, juostelės ir laidai
- Ibc - armatūra ir priedai
- Žemės ūkis
- Stulpai, segtukai, atramos, juostelės ir laidai
- Kaklaiščių juostelės, spaustukai, juostelės ir velcro
- Lazdos, segikliai, atramos, juostelės ir vielos
- Lazdelės, segikliai, atramos, guminės juostelės ir vielos
- Žarnų vežimėliai ir ritės
- Įranga ir sodo laikikliai
- Šepetėliai ir priedai skalbimui
- Lazdos, segiklai, atramos, juostelės ir vielos
- Lazdos, segiklai, atramos, guminės juostelės ir laidai
- Tentai
- Vejos kraštai ir apdaila
- Laistymo skardinės, kibirai, kanistrai ir kita
- Kaklaiščių juostelės, segikliai, juostelės ir lipkraščių juostelės
- Šepetėliai ir plovimo priedai
- Tvorų tinklai ir juostelės
- Termometrai ir skaitikliai
- Stulpai, segikliai, atramos, guminės juostelės ir lielai
- Audiniai, neaustini audiniai ir segikliai
- Šepetėliai ir skalbimo priedai
- Sodo įranga ir laikiklis
- Buotinai
- Tvorų tinklai ir juostos
- Vejos kraštai ir pakabos
- Vejos kraštai ir medžių apdailos
- Paukščių Repelentai
- Atbaldančios priemonės
- Žarnos, vamzdžiai ir juostos
- Vejos kraštai ir apdailos
- Ibc - jungiamosios detalės ir priedai
- Sodo įranga ir laistyklai
- Reduktoriai, radiantai ir priedai
- Vejos kraštai ir pakėlimo plokštelės
- Žarnos, vamzdžiai ir juostelės
- Žarnos, vamzdžiai ir jostos
- Transporto priemonių kilimėliai
- Atsarginės dalys ir įranga
- Techninės dalys
- Filtrai
- Trąšų barstymo, srutų ir biodujų technologijos
- Kita
- Traktorių dalys ir priedai
- Įtaisai
- Priekabų dalys
- Pievų vilkimo mašinų dalys ir priedai
- „Euroframes“ dalys ir priedai
- „Euroframe“ dalys ir priedai
- Pievų akėčių dalys ir priedai
- 3 taškų kablys
- Hidraulinis vairo stiprintuvas traktoriams
- taškų kablys
- Hidrauliniai siurbliai
- Krumpliaratiniai siurbliai
- Rankiniai siurbliai
- Vakarietiškiems traktoriams ir mašinoms
- Stūmokliniai siurbliai
- Lenkiškiems traktoriams ir mašinoms
- Vakarietiškiems traktoriams ir technikai
- Siurbliai su 380 V varikliu
- Našumas 0,22 l/min
- Našumas 0,51 l/min
- Našumas 0,34 l/min
- Našumas 0,67 l/min
- Našumas 0,86 l/min
- Našumas 1,02 l/min
- Našumas 1,38 l/min
- Našumas 1,51 l/min
- Našumas 2,21 l/min
- Našumas 2,48 l/min
- Našumas 3,72 l/min
- Našumas 4,44 l/min
- Našumas 5,18 l/min
- Našumas 9 l/min
- Našumas 6 l/min
- Našumas 12 l/min
- Našumas 18 l/min
- Našumas 15 l/min
- Našumas 21 l/min
- Našumas 24 l/min
- Našumas 30 l/min
- Našumas 33 l/min
- Našumas 39 l/min
- Našumas 51 l/min
- Našumas 58 l/min
- Našumas 69 l/min
- Našumas 78 l/min
- Siurbliai su elektrine sankaba
- Siurbliai su IE3 400V varikliu
- Pavarų siurbliai
- Lenkiškiems traktoriams ir technikai
- Vakarų traktoriams ir technikai
- Vakarų traktoriams ir mašinoms
- 3 taškų pakabinimo sistema
- Hidraulinė traktorių pakėlimo asistentė
- Traktoriaus hidraulika
- Pramonė ir dirbtuvės
- Sėdynės traktoriams ir mašinoms
- Traktorių ir mašinų sėdynės
- Filtrai ir įdėklai
- Elektros skirstytuvų valdymo skydai
- Hidrauliniai skirstytuvai
- Hidrauliniai kolektoriai
- Hidrauliniai vožtuvai
- Hidrauliniai paskirstymo vožtuvai
- Hidrauliniai rotatoriai
- Trifaziai elektros varikliai
- Žemės ūkio technikos dalys ir reikmenys
- Pavarų dėžės
- Hidrauliniai varikliai
- Orbitroliai
- Elektros ir apšvietimo įranga
- Tvirtinimo detalės
- Elektra ir apšvietimas
- Žarnų gamyba
- Srauto matuokliai
- Degimo varikliai
- Hidrauliniai amortizatoriai
- Hidrauliniai cilindrai
- Pneumatinė sistema
- Alyvos bakai
- Kabelių gamyba
- Slėgmačiai
- Vamzdžių gamyba
- Hidrauliniai priedai
- Jungtys
- Santechnikos priedai
- Žemės ūkio technikos dalys ir priedai
- Traktoriaus slėgio matavimas
- Vamzdžių ir kabelių spaustukai
- Priekabų dalys ir priedai
- Hidraulinės žarnos
- Pavaros technologija ir standartinės dalys
- Slėgio matavimas traktoriuje
- Vamzdžių ir žarnų spaustukai
- Skirstytuvų kabeliai
- Alyvos aušintuvai
- Vairasvirtės platintojams
- Pavarų technologija ir standartinės dalys
- Orbitrols
- Naftos bakai
- Filtrai ir kasetės
- Slėgio matuokliai
- Traktoriaus dalys ir priedai
- Vairasvirtės skirstytuvams
- Jungiamieji elementai
- Hidrauliniai alsuokliai
- Manometrai
- Kaltiniai dantys krautuvams
- PTO daugikliai
- Šarnyrai skirstytuvams
- Jungtys dalikliams
- Skirstytuvų trosai
- Hidrauliniai maitinimo blokai (maitinimo šaltiniai) mobiliosioms transporto priemonėms
- Priedai su parduotuvės firminiu logotipu
- Kaltiniai dantys priekiniams krautuvams
- Skirstytuvų valdymo svirtys
- Kardaninio veleno daugikliai
- Sėdynės traktoriams ir technikai
- taškų pakabinimo sistema
- Kaltiniai krautuvo dantys
- Skirstytuvų jungtys
- Mašinos hidraulika
- Valdymo svirtys kolektoriams
- 3 taškų pakabinimo įtaisas
- Hidrauliniai maitinimo blokai (maitinimo blokai) mobiliosioms transporto priemonėms
- 3 taškų pakabos sistema
- Trąšų barstytuvų dalys ir priedai
- Hidrauliniai dalikliai
- Pneumatika
- Sliekinės pavaros elektros varikliams
- Trijų taškų kablys
- Valdymo svirtys skirstytuvams
- Valdymo svirtelės skirstytuvams
- Traktorių hidraulika
- Vairasvirtės kolektoriams
- Trąšų barstytuvo dalys ir priedai
- Daugikliai ant PTO
- Elektros variklių keitikliai
- Traktorių atsarginės dalys
- Daugikliai su PTO
- Mašinų hidraulika
- Hidrauliniai maitinimo agregatai (maitinimo blokai) stacionarioms mašinoms ir įrenginiams
- Hidrauliniai maitinimo blokai (maitinimo blokai) stacionarioms mašinoms ir įrenginiams
- Hidraulinė traktorių prikabinimo sistemos asistentas
- Hidrauliniai maitinimo blokai (maitinimo šaltiniai) stacionarioms mašinoms ir įrenginiams
- Hidrauliniai separatoriai
- Ant traktoriaus montuojami agregatai
- Hidrauliniai jėgos agregatai mobilioms transporto priemonėms
- Hidrauliniai mėšlo skirstytuvai
- GTV daugikliai
- Hidrauliniai jėgos agregatai (maitinimo blokai) mobiliosioms transporto priemonėms
- Filtrai ir elementai
- Šildytuvai ir skysto kuro šildytuvai traktoriuje
- Presų dalys ir priedai
- Elektros skirstytuvų valdymo pultai
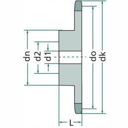
Grandininis ratas su stebule 021 012 15
Prekė detaliau
15010196676022
Nauja
Charakteristikos
- Detalės numeris
- 837021-012-15
Specifinė nuoroda
- MPN
- 837021-012-15
check_circle
check_circle