• Tik internetu
Kemper sankabos velenas 345 75178 lca75178 originalus
  • Kemper sankabos velenas 345 75178 lca75178 originalus
  • Kemper sankabos velenas 345 75178 lca75178 originalus

Kemper sankabos velenas 345 75178 lca75178 originalus

15010876167243
Unbranded
282,93 €
Su mokesčiais
pristatymas per 5-9 darbo dienas
Kiekis

Aprašymas
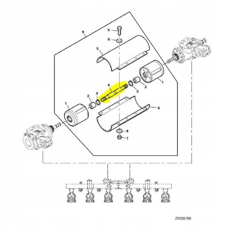
KEMPER SHAFT 345 75178 ORIGINAL LCA75178

35x145x21z,

JUNGIA HORIZONTALIĄ MOVA PER VELENO JUNGTIES RANKOVAS

Tinka: <

p/> 345, 365, 375, 445

Dėl prekės pobūdžio elektros dalių (daviklių, vairasvirčių, ritių) grąžinimas priklauso nuo išorės įmonės patikrinimo, patikrinimo kaina priklauso nuo prekės (kaina nustatoma individualiai, atsižvelgiant į tikrinamo elemento sudėtingumą)

Patikrinimo išlaidas apmoka pirkėjas.

Prieš perkant įsitikinkite, kad dalis tinka jūsų mašinai.

Prekė detaliau
Unbranded
15010876167243
Nauja

Charakteristikos

Gamintojas
Unbranded
Detalės numeris
LCA75178

Specifinė nuoroda

MPN
LCA75178