• Tik internetu
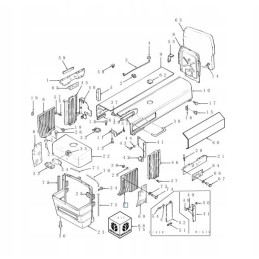
Groteles paliko New Holland Ford 8240 81873302
  • Groteles paliko New Holland Ford 8240 81873302
  • Groteles paliko New Holland Ford 8240 81873302
  • Groteles paliko New Holland Ford 8240 81873302

Groteles paliko New Holland Ford 8240 81873302

15012792260778
CNH
1 159,58 €
Su mokesčiais
pristatymas per 5-9 darbo dienas
Kiekis

Aprašymas
Apima:

Ford

40: 7840, 8240, 8340

Techniniai duomenys :

kairėje

Palyginimo numeriai: 81873302, 82852305, E9NN8K189BD, 82009232

Gamintojas: CNH

Pirkdami žemės ūkio technikos dalis mūsų internetinėje parduotuvėje, galite būti tikri, kad gausite aukščiausios kokybės gaminius. Siūlome originalias kombainų dalis, taip pat žinomų prekių ženklų atsargines dalis.

Prekė detaliau
CNH
15012792260778
Nauja

Charakteristikos

Gamintojas
CNH
Detalės numeris
81873302

Specifinė nuoroda

MPN
81873302