• Tik internetu
Slydimo guolio flanšas gfm 404440 iglidurg 1 vnt
  • Slydimo guolio flanšas gfm 404440 iglidurg 1 vnt
  • Slydimo guolio flanšas gfm 404440 iglidurg 1 vnt

Slydimo guolio flanšas gfm 404440 iglidurg 1 vnt

15012911747611
Other (iglidur G)
10,19 €
Su mokesčiais
pristatymas per 5-9 darbo dienas
Kiekis

Aprašymas

iglidur G, slankioji įvorė su flanšu

Labai atspari dilimui

Atspari dulkėms ir purvui

Ekonomiškas

Nereikalaujantis tepimo ir priežiūros

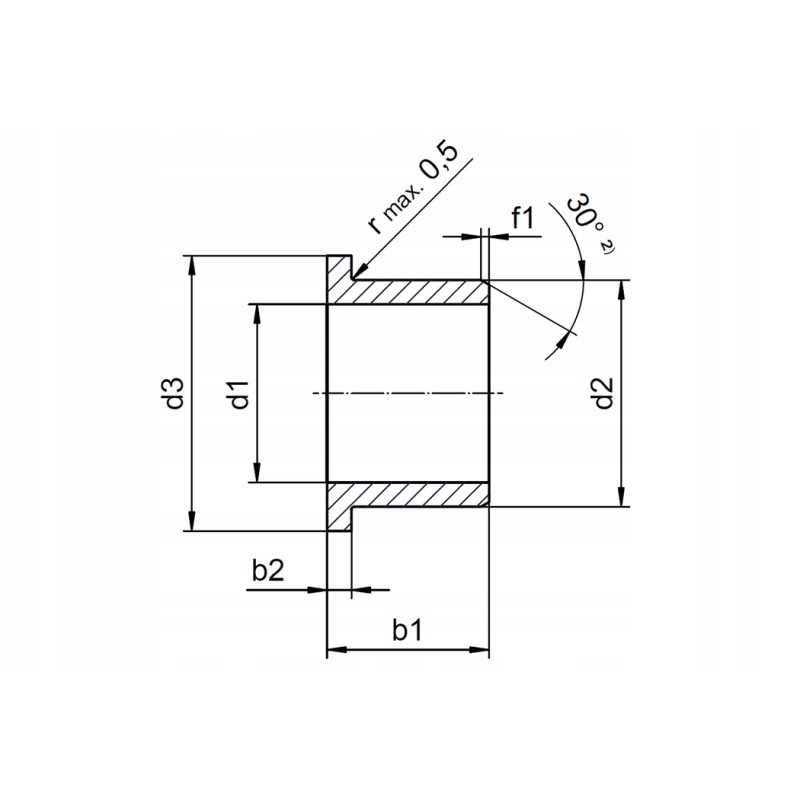
MATMENYS

Ø d1

< p/> 40,0 mm

Išorinis skersmuo d2

44,0 mm

Flanšo skersmuo d3

52,0 mm

< p/> Guolio ilgis b1

40,00 mm

Flanšo storis b2

2,00 mm

Vėliavos ilgis (f)

1,2 mm

Nužudytas kampas [°]

30,00 °

Prekė detaliau
Other (iglidur G)
15012911747611
Nauja

Charakteristikos

Gamintojas
Other (iglidur G)
Detalės numeris
GFM-404440

Specifinė nuoroda

MPN
GFM-404440