• Tik internetu
Va206353 rankinio stabdžio svirtis
  • Va206353 rankinio stabdžio svirtis
  • Va206353 rankinio stabdžio svirtis

Va206353 rankinio stabdžio svirtis

15013219381071
AGCO
276,14 €
Su mokesčiais
pristatymas per 5-9 darbo dienas
Kiekis

Aprašymas
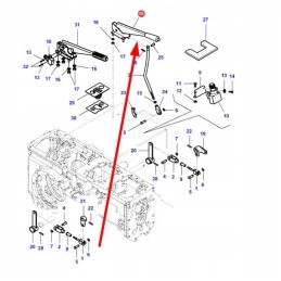
VA206353 Rankinio stabdžio svirtis GAMINIO APRAŠYMAS:

Originali rankinio stabdžio svirtis su katalogo numeriu VA206353, naudojama Massey Ferguson žemės ūkio traktoriuose.

Dalies katalogo numeris: VA206353

Kategorija: Stabdymas sistema

Dalių gamintojas: Massey Ferguson

Pakaitalai:

Gamintojas: Massey Ferguson, Kita

Tinka mašinai:< p> < p/> Tractor >, Massey Ferguson >, 3635 F

Prekė detaliau
AGCO
15013219381071
Nauja

Charakteristikos

Gamintojas
AGCO
Detalės numeris
VA206353
Produkto svoris su vienetine pakuote
1.6 kg

Specifinė nuoroda

MPN
VA206353