Bizon RP-001 kombaino srauto reguliatorius 25L/min 250bar
    • Bizon RP-001 kombaino srauto reguliatorius 25L/min 250bar
    • Bizon RP-001 kombaino srauto reguliatorius 25L/min 250bar

    Bizon RP-001 kombaino srauto reguliatorius 25L/min 250bar

    RP-0010.151
    Hydrotor Tuchola
    100,27 €
    Su mokesčiais
    pristatymas per 5-9 darbo dienas
    Kiekis

    Aprašymas
    HIDRAULINIS VOŽTUVO REGULIATORIUS BIZON RP-001 KOVOS KOMBAINUI

    Dalių gamintojas: „Hydrotor Tuchola“ Pritaikymas: Plačiai naudojamas hidraulinėse sistemose žemės ūkyje, statybose ir pramonėje.

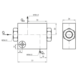
    Nereguliuojamas srauto reguliatorius leidžia padalyti tiekiamo srauto Q į du srautus: pastovų Q1 ir perteklinį Q2. Reguliatoriaus konstrukcija leidžia apkrauti abu srautus.
    Tiekiamo srauto debitas:
    25 l/min. Reguliatoriaus srauto debitas:
    9 l/min. Hidraulinių skylių skaičius korpuse:
    3. Vidiniai sriegiai korpuse:
    M18x1,5. Nominalus slėgis:
    160 bar. Didžiausias slėgis:
    250 bar. Leistina aplinkos temperatūra:
    -20 C iki +40 C. Leistina alyvos temperatūra:
    -15 C iki +80 C. Alyvos tipas:
    Mineralinės alyvos pagrindu pagaminta hidraulinė alyva
    Prekė detaliau
    Hydrotor Tuchola
    RP-0010.151

    Charakteristikos

    Gamintojas
    Hydrotor Tuchola
    Gamintojo detalės kodas
    RP-001

    Specifinė nuoroda

    MPN
    RP-001