Hidraulinis skirstytuvas, 1 sekcija, 40L, su vienpusiu priekiniu fiksatoriumi
    • Hidraulinis skirstytuvas, 1 sekcija, 40L, su vienpusiu priekiniu fiksatoriumi
    • Hidraulinis skirstytuvas, 1 sekcija, 40L, su vienpusiu priekiniu fiksatoriumi
    • Hidraulinis skirstytuvas, 1 sekcija, 40L, su vienpusiu priekiniu fiksatoriumi
    • Hidraulinis skirstytuvas, 1 sekcija, 40L, su vienpusiu priekiniu fiksatoriumi
    • Hidraulinis skirstytuvas, 1 sekcija, 40L, su vienpusiu priekiniu fiksatoriumi
    • Hidraulinis skirstytuvas, 1 sekcija, 40L, su vienpusiu priekiniu fiksatoriumi
    • Hidraulinis skirstytuvas, 1 sekcija, 40L, su vienpusiu priekiniu fiksatoriumi

    Hidraulinis skirstytuvas, 1 sekcija, 40L, su vienpusiu priekiniu fiksatoriumi

    1.10.00.016.20.151
    Badestnost
    141,23 €
    Su mokesčiais
    pristatymas per 5-9 darbo dienas
    Kiekis

    Aprašymas
    SEKCIJOS HIDRAULINIS SKIRSTYTUVAS P40L/min

    SU UŽSKAITYTUVU VIENA KRYPTIMI Į PRIEKĮ

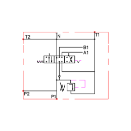
    Simbolis:
    1.10.00.016.2

    Detalės gamintojas:
    Badestnost

    Pritaikymas:

    Skirstytuvas pritaikytas įvairių tipų mašinoms, tokioms kaip: žemės ūkio mašinos, traktoriai, purkštuvai, „Auroches“, ciklopai, HDS krautuvai, statybinės mašinos, krautuvai, ekskavatoriai, šlavimo mašinos, pramoninės mašinos ir kiti hidrauliškai valdomi įrenginiai. Valdymo pavyzdys: dvigubo veikimo hidraulinis cilindras, dvikryptis hidraulinis variklis, varantis nedidelę masę.

    Maksimalus srautas:
    40 l/min

    Vidiniai sriegiai korpuse:
    P/T: 1/2'' ; A/B: 3/8''

    Svirties veikimas:
    trys padėtys (1 - 0 - 2)

    Svirties padėtis:
    užsklanda laiko svirtį priekinėje darbinėje padėtyje. Iš darbinės padėties atgal svirtis automatiškai grįžta į neutralią padėtį spyruoklės pagalba.

    Slankiklio hidraulinė schema:
    D (atleidus svirtį į neutralią padėtį, slankiklis leidžia laisvai valdyti pavaros stūmoklio kotą arba palaipsniui stabdyti variklį, apkrautą sunkia mase)

    Didžiausias tiekiamo oro slėgis:
    250 bar

    Didžiausias grąžinimo slėgis:
    50 bar

    Didžiausias slėgis sekcijose:
    300 bar

    Apsauginis vožtuvas:
    Apsauginio vožtuvo atidarymo slėgis didėja proporcingai didėjant srautui:

    180 bar esant 10 l/min.
    190 bar esant 20 l/min.
    200 bar esant 30 l/min.
    210 bar esant 40 l/min.

    Tikslaus slėgio matavimo rinkinius galite rasti skyriuje „Manometrai – matavimo rinkiniai“.

    Savaiminio reguliavimo galimybė, pilnas apsisukimas pasikeičia 30 barų.

    Leistina aplinkos temperatūra: nuo -40 C iki +60 C

    Leistina alyvos temperatūra: Nuo -15 C iki +80 C

    Rekomenduojama hidraulinė alyva: mineralinė alyva, pvz., HL 32 arba HL 46

    Prekė detaliau
    Badestnost
    1.10.00.016.20.151

    Charakteristikos

    Gamintojas
    Badestnost
    Gamintojo detalės kodas
    1.10.00.016.2

    Specifinė nuoroda

    MPN
    1.10.00.016.2