Dvigubas atbulinis vožtuvas VBPDE 1/4" 20L/min HLR
    • Dvigubas atbulinis vožtuvas VBPDE 1/4" 20L/min HLR
    • Dvigubas atbulinis vožtuvas VBPDE 1/4" 20L/min HLR

    Dvigubas atbulinis vožtuvas VBPDE 1/4" 20L/min HLR

    1.35.17.0090.151
    Hydrolider
    35,36 €
    Su mokesčiais
    pristatymas per 5-9 darbo dienas
    Kiekis

    Aprašymas


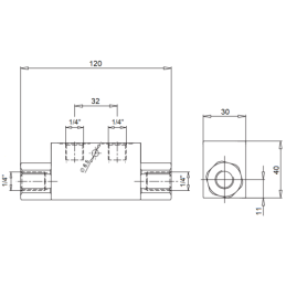
    HIDRAULINIS ATKRAUTINIS VOŽTUVAS „UŽRAKTAS“ VBPDE 1/4"

    DVIGUBO VEIKIMO CILINDRUI

    Simbolis:
    1.35.17.009

    Dalies gamintojas:
    Hydroleader

    Pritaikymas:
    pritaikytas įvairių tipų mašinoms, tokioms kaip: Tury, Cyklops, žemės ūkio ir pramonės mašinos, krautuvai ir kiti hidrauliškai valdomi įrenginiai. Užtikrina stūmoklio koto padėties stabilizavimą, kai skirstytuvas nevaldomas ir cilindrą veikia didelės jėgos.

    Maksimalus srautas:
    20L/min

    Hidraulinių skylių skaičius korpuse:
    4

    Vidiniai sriegiai korpuse:
    1/4"

    Maksimalus leistinas slėgis:
    350 bar

    Srauto atidarymo slėgis V iki C:
    3 bar

    Medžiaga:

    cinkuotas plienas

    Leistina aplinkos temperatūra:
    -40C iki +60C

    Leistina alyvos temperatūra:
    -15C iki +80C

    Skysčio tipas:
    mineralinės alyvos pagrindu pagaminta hidraulinė alyva

    Prekė detaliau
    Hydrolider
    1.35.17.0090.151

    Charakteristikos

    Gamintojas
    Hydrolider
    Gamintojo detalės kodas
    1.35.17.009

    Specifinė nuoroda

    MPN
    1.35.17.009