• Tik internetu
Rato smeigė adr 903c20l2 m20x1 5
  • Rato smeigė adr 903c20l2 m20x1 5
  • Rato smeigė adr 903c20l2 m20x1 5

Rato smeigė adr 903c20l2 m20x1 5

1508871294222
Other (ADR)
44,85 €
Su mokesčiais
pristatymas per 5-9 darbo dienas
Kiekis

Aprašymas
Vardas:

Rato smeigė ADR 903C20L2 M20x1,5

Aprašymas:

Dalies numeris 903C20L2

Vienetas Art

Naudojimas – Ašies stebulėms ir stabdžių būgnams Savybės - Medžiaga: 10,9

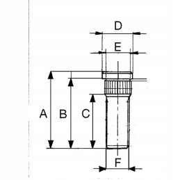
B 87 mm

C (mm) 62 mm

D (mm) 30 mm

E (mm) 21,5 mm

FM 20 x 1,5

Priveržimo momentas (Nm) 350 Nm

Visas ilgis 93 mm

Gamintojas: ADR

Prekė detaliau
Other (ADR)
1508871294222
Nauja

Charakteristikos

Gamintojas
Other (ADR)
Detalės numeris
K903C20L21
Produkto svoris su vienetine pakuote
0.1 kg

Specifinė nuoroda

MPN
K903C20L21