Sliekinės pavaros tipas gmr i 40
    • Sliekinės pavaros tipas gmr i 40
    • Sliekinės pavaros tipas gmr i 40
    • Sliekinės pavaros tipas gmr i 40
    • Sliekinės pavaros tipas gmr i 40
    • Sliekinės pavaros tipas gmr i 40
    • Sliekinės pavaros tipas gmr i 40

    Sliekinės pavaros tipas gmr i 40

    15013836836245
    510,92 €
    Su mokesčiais
    pristatymas per 5-9 darbo dienas
    Kiekis

    Aprašymas
    Przekładnia ślimakowa typ GMR I = 40

    Numer części: K. GMR0904080B14

    EAN: 8716106936267

    Jednostka: Sztuka

    Specifykacie: <

    p/>bębny do nawijania węży

    przyrządy do odwracania skrzyń

    rozbudowa silnika elektrycznego

    Wiśłowści:

    Niski poziom hałasu

    wersja zamknięta

    zabudowa IEC B14/B5

    rozmiar 30 do 90 wzacznie: obudowa aluminiowa

    rozmiary 110 i 130: obudowa z żeliwa

    Informacje techniczne:

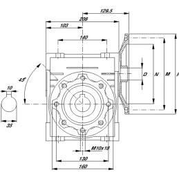
    Wał drążony: Ø35 mm (H7) klin 10 mm

    ślimacznica z brązu

    ślimak 20CR hardened 56-62 HRC

    >

    Color of housing: Niebieski

    Temperature working - zakres: -25-50°C

    Weight: 13kg

    MŚrednica obwodu sruby: 100mm< p>

    DŚrednica wału/wałka: 19mm

    NWewnętrzna sedrečia kołnierza: 80mm

    PŚrednica zewnętrzna, konierza: 120mm

    Przełożenie: 40

    Prekė detaliau
    15013836836245
    Nauja

    Charakteristikos

    Gamintojas
    Kramp
    Detalės numeris
    K.GMR0904080B14