Sferinis guolis ge30es2ls
    • Sferinis guolis ge30es2ls
    • Sferinis guolis ge30es2ls
    • Sferinis guolis ge30es2ls

    Sferinis guolis ge30es2ls

    15013869610876
    70,56 €
    Su mokesčiais
    pristatymas per 5-9 darbo dienas
    Kiekis

    Aprašymas
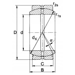
    Sferinis guolis GE30ES2LS

    Dalies numeris: K. GE30ES2LS

    EAN:

    Vienetas: gabalas

    Taikymas:

    Strypų galvutės

    Teoriniai jungčių taškai

    Pakabos

    Savybės:

    Privaloma priežiūra

    Slankioji jungtis plienas-plienas

    dVidinis skersmuo: 30 mm

    DOIšorinis skersmuo: 47 mm

    Sandarinimo tipas: LS

    Guolių tipas: Sferinės jungties guolis< p>

    BVidinės dalies plotis: 22 mm

    Guolis gali būti tepamas: Ne

    Svoris: 0,1398 kg

    Prekė detaliau
    15013869610876
    Nauja

    Charakteristikos

    Gamintojas
    SKF
    Detalės numeris
    K.GE30ES2LS