• Tik internetu
Dėklas polos dėklas 580sr 590sr galinis 86511646 italija
  • Dėklas polos dėklas 580sr 590sr galinis 86511646 italija
  • Dėklas polos dėklas 580sr 590sr galinis 86511646 italija

Dėklas polos dėklas 580sr 590sr galinis 86511646 italija

15010204273871
703,86 €
Su mokesčiais
pristatymas per 5-9 darbo dienas
Kiekis

Aprašymas
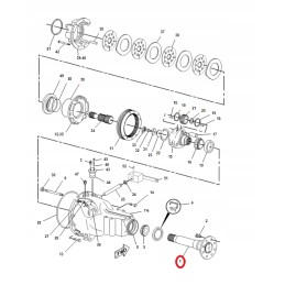
VELENAS / GALIS Taikymas: CASE 580SR / 590SR

Palyginimo numeriai: 86511646 *

Gamyba: italų

Matmenys:

viršaus skersmuo - 60 mm

pagrindo skersmuo - 255 mm

strypo ilgis - 420 mm

bendras aukštis - 540 mm

dantų skaičius - 46

* Svetainės turinyje naudojami prekių ženklai yra jų teisėtų savininkų nuosavybė. Gamintojų pavadinimai ir numeriai pateikiami tik informaciniais tikslais, vadovaujantis str. 156 Pramoninės nuosavybės įstatymo.

Prekė detaliau
15010204273871
Nauja

Charakteristikos

Gamintojas
other (Spare part)
Detalės numeris
86511646
Mašinos tipas
Ekskavatorius, ekskavatorius-krautuvas
Mašinos prekės ženklas
Case

Specifinė nuoroda

MPN
86511646