• Tik internetu
Hitachi ex300 priekinio varančiojo ratoO žiedas
  • Hitachi ex300 priekinio varančiojo ratoO žiedas
  • Hitachi ex300 priekinio varančiojo ratoO žiedas
  • Hitachi ex300 priekinio varančiojo ratoO žiedas
  • Hitachi ex300 priekinio varančiojo ratoO žiedas

Hitachi ex300 priekinio varančiojo rato O žiedas

15013628215750
51,55 €
Su mokesčiais
pristatymas per 5-9 darbo dienas
Kiekis

Aprašymas
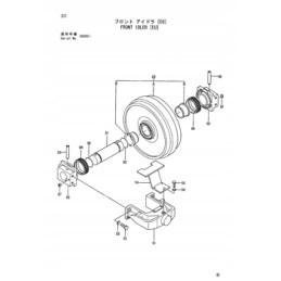
„O-Ring Front Drive Wheel Hitachi CX650-2“, CX700, CX700HD, EX100, EX100-2, EX100-5, EX100WD-2, EX100WD-3, EX100WD-3C, EX120, EX120-2, EX120-5 JPN, EX125WD- 5. 20-3

DALIS NAUJA UŽ PARDINGĄ KAINĄ DĖL SANDĖLIO IŠPARDAVIMO. GALI BŪTI BE ORIGINALIOS PAKUOTĖS IR TURĖTI SANDĖLIAVIMO ŽENKLIUS

NUMERIS 02 DIAGRAME

SAUGOJIMO NUMERIS: HITACHI 76

Prekė detaliau
15013628215750
Nauja

Charakteristikos

Gamintojas
Hitachi
Detalės numeris
4513526
Mašinos tipas
Ekskavatorius
Mašinos prekės ženklas
Hitachi

Specifinė nuoroda

MPN
4513526