• Tik internetu
Ge30 jungties guolis, skirtas Mac galiai
  • Ge30 jungties guolis, skirtas Mac galiai
  • Ge30 jungties guolis, skirtas Mac galiai

Ge30 jungties guolis, skirtas Mac galiai

15013120618696
Mac Power
21,25 €
Su mokesčiais
pristatymas per 5-9 darbo dienas
Kiekis

Aprašymas
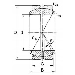
Sferinio guolio parametrai

Dalies numeris: GE30DO

Įrenginys: gabalas

Gamintojas: Mac Power

EAN: 8052461094366

Vidinis skersmuo [d]: 30 mm

Išorinis skersmuo [D]: 47 mm

Sandarinimo tipas: Atviras

Guolių tipas: Jungtinis guolis

Išorinės dalies plotis [C]: 18 mm

Vidinės dalies plotis [B]: 22 mm

Rutulėlio skersmuo [dk]: 40 mm

Taikymas

– Strypų galvutės

– Teoriniai jungčių taškai

– Pakabos

Savybės

– Tema iki privalomos priežiūros< p>

– Plieno ir plieno slankioji jungtis

Prekė detaliau
Mac Power
15013120618696
Nauja

Charakteristikos

Gamintojas
Mac Power
Detalės numeris
GE30DO
Originalus Detalės numeris
GE30DO
Atsarginių dalių numeriai
GE30DO

Specifinė nuoroda

MPN
GE30DO