• Tik internetu
Ge25 jungties guolis, skirtas Mac galiai
  • Ge25 jungties guolis, skirtas Mac galiai
  • Ge25 jungties guolis, skirtas Mac galiai

Ge25 jungties guolis, skirtas Mac galiai

15013120649061
Mac Power
17,55 €
Su mokesčiais
pristatymas per 5-9 darbo dienas
Kiekis

Aprašymas
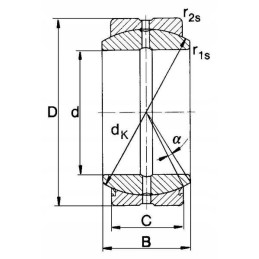
Sferinio guolio parametrai

Dalies numeris: GE25DO

Mažai: gabalas

Gamintojas: Mac Power

EAN: 8052461094359

Vidinis skersmuo [d]: 25 mm

Išorinis skersmuo [D]: 42 mm

Sandarinimo tipas: Atviras

Guolių tipas: Jungtinis guolis

Išorinės dalies plotis [C]: 16 mm

Vidinės dalies plotis [B]: 20 mm

Rutulio skersmuo [dk]: 35 mm

Taikymas

– Strypų galvutės

– Teoriniai jungčių taškai

– Pakabos

Savybės

– Tema iki privalomos priežiūros< p>

– Plieno ir plieno slankioji jungtis

Prekė detaliau
Mac Power
15013120649061
Nauja

Charakteristikos

Gamintojas
Mac Power
Detalės numeris
GE25DO
Originalus Detalės numeris
GE25DO
Atsarginių dalių numeriai
GE25DO

Specifinė nuoroda

MPN
GE25DO