• Tik internetu
Vienos grandinės ratas 16 dantukų 1 2 strypai
  • Vienos grandinės ratas 16 dantukų 1 2 strypai
  • Vienos grandinės ratas 16 dantukų 1 2 strypai
  • Vienos grandinės ratas 16 dantukų 1 2 strypai

Vienos grandinės ratas 16 dantukų 1 2 strypai

15013835485012
Kramp
19,69 €
Su mokesčiais
pristatymas per 5-9 darbo dienas
Kiekis

Aprašymas
Viena žvaigždutė 16 dantų 1/2' grandinė 08 B-1 Kramp

Dalies numeris: K. SE1216

EAN:

Vienetas: gabalas

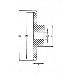
< p/> Techninė informacija:

Stebulės anga, raktas ir anga su sriegiu yra neprivalomi.

Rekomenduojama didžiausia skylė: D3 x 0,6

Tipas: viengubas

Grandinės dydis: 08 B-1

Dantų skaičius: 16

D1 Darbinis skersmuo: 65,1 mm

D2Išorinis skersmuo: 69,9 mm

Dantų plotis: 7,2 mm

BPlotis: 28 mm

Stebulės tipas: vienpusė stebulė

D3 Stebulės skersmuo: 50 mm

B0 Skylės skersmuo: 12 mm

Skylė: Taip

Medžiaga: Plienas C45

Prekė detaliau
Kramp
15013835485012
Nauja

Charakteristikos

Gamintojas
Kramp
Detalės numeris
K.SE1216

Specifinė nuoroda

MPN
K.SE1216