• Tik internetu
Vienos grandinės ratas 10 dantų 1 2 strypai
  • Vienos grandinės ratas 10 dantų 1 2 strypai
  • Vienos grandinės ratas 10 dantų 1 2 strypai
  • Vienos grandinės ratas 10 dantų 1 2 strypai

Vienos grandinės ratas 10 dantų 1 2 strypai

15013835483666
Kramp
10,72 €
Su mokesčiais
pristatymas per 5-9 darbo dienas
Kiekis

Aprašymas
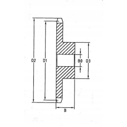
Viena žvaigždutė 10 dantų 1/2' grandinė p/> Techninė informacija:

Stebulės anga, raktas ir anga su sriegiu yra neprivalomi.

Rekomenduojama didžiausia skylė: D3 x 0,6

Tipas: viengubas

Grandinės dydis: 08 B-1

Dantų skaičius: 10

D1 Darbinis skersmuo: 41,1 mm

D2Išorinis skersmuo: 45,9 mm

Dantų plotis: 7,2 mm

BPlotis: 25 mm

Stebulės tipas: vienpusė stebulė

D3 Stebulės skersmuo: 26 mm

B0 Skylės skersmuo: 10 mm

Skylė: Taip

Medžiaga: Plienas C45

Prekė detaliau
Kramp
15013835483666
Nauja

Charakteristikos

Gamintojas
Kramp
Detalės numeris
K.SE1210

Specifinė nuoroda

MPN
K.SE1210