• Tik internetu
Vienos grandinės ratas 14 dantukų 1 2 strypai
  • Vienos grandinės ratas 14 dantukų 1 2 strypai
  • Vienos grandinės ratas 14 dantukų 1 2 strypai
  • Vienos grandinės ratas 14 dantukų 1 2 strypai

Vienos grandinės ratas 14 dantukų 1 2 strypai

15013835484618
Kramp
16,01 €
Su mokesčiais
pristatymas per 5-9 darbo dienas
Kiekis

Aprašymas
Viena žvaigždutė 14 dantų 1/2' grandinė 08 B-1 Kramp

Dalies numeris: K. SE1214

EAN:

Vienetas: gabalas

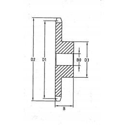
< p/> Techninė informacija:

Stebulės anga, raktas ir anga su sriegiu yra neprivalomi.

Rekomenduojama didžiausia skylė: D3 x 0,6

Tipas: viengubas

Grandinės dydis: 08 B-1

Dantų skaičius: 14

D1 Darbinis skersmuo: 57,07 mm

D2 Išorinis skersmuo: 61,9 mm< p>

Dantų plotis: 7,2 mm

Bplotis: 28 mm

Stebulės tipas: vienpusis stebulė

D3 Stebulės skersmuo: 41 mm

B0 Skylės skersmuo: 10 mm

Skylė: Taip

Medžiaga: Plienas C45

Prekė detaliau
Kramp
15013835484618
Nauja

Charakteristikos

Gamintojas
Kramp
Detalės numeris
K.SE1214

Specifinė nuoroda

MPN
K.SE1214