• Tik internetu
Vienos grandinės rato diskas, 40 dantų 1
  • Vienos grandinės rato diskas, 40 dantų 1
  • Vienos grandinės rato diskas, 40 dantų 1
  • Vienos grandinės rato diskas, 40 dantų 1

Vienos grandinės rato diskas, 40 dantų 1

15013832424821
Kramp
156,05 €
Su mokesčiais
pristatymas per 5-9 darbo dienas
Kiekis

Aprašymas
Vieno grandininio rato diskas 40 dantų 1' grandinė 16 B-1 Kramp

Dalies numeris: K. PW140

EAN:

Vienetas: gabalas

< p /> Taikymas: netinka ASA/DIN 8188 grandinei

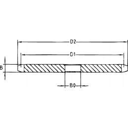
Techninė informacija:

Ašinė anga ir griovelis yra neprivalomi

Rekomenduojama didžiausia skylė: D1 x 0,6< p>

Tipas: viengubas

Grandinės dydis: 16 B-1

Dantų skaičius: 40

D1 Darbinis skersmuo: 323 .73mm< p>

D2Išorinis skersmuo: 335,3 mm

Dantų plotis: 16,2 mm

Plotis: 16,2 mm

Stebulės tipas: Be stebulės

< p/> B0 Skylės skersmuo: 25 mm

Skylė: Taip

Medžiaga: Plienas C45

Prekė detaliau
Kramp
15013832424821
Nauja

Charakteristikos

Gamintojas
Kramp
Detalės numeris
K. PW140

Specifinė nuoroda

MPN
K. PW140